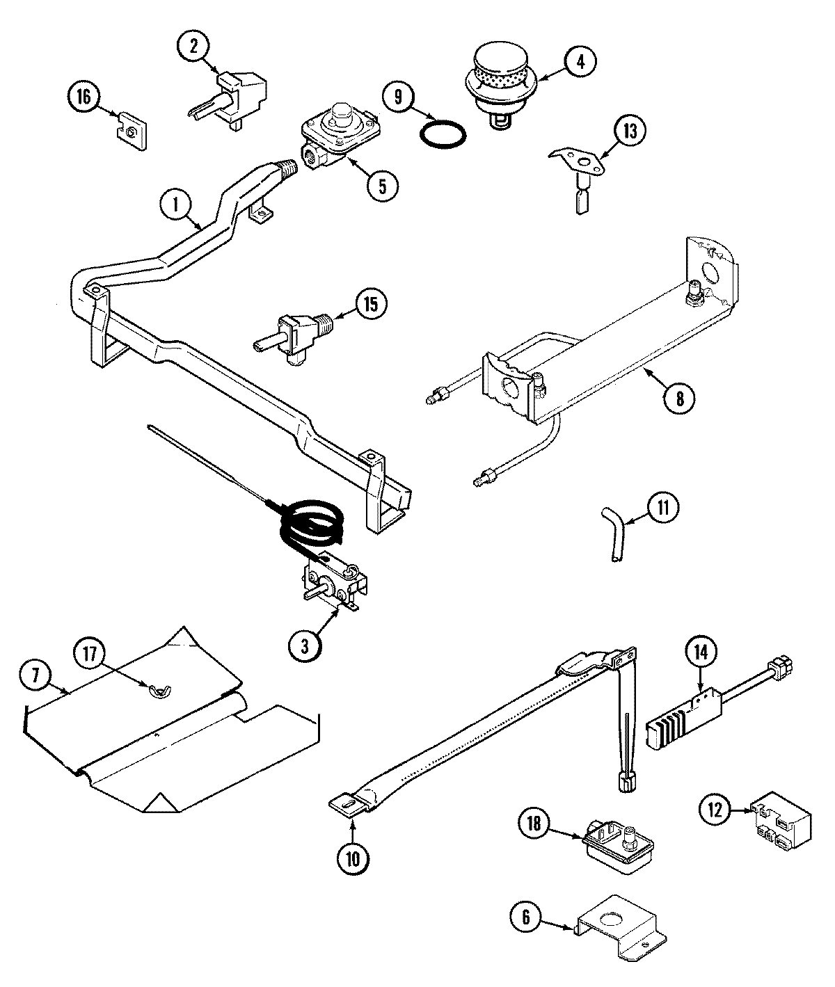
MGR4450BDW 04 – GAS CONTROLSadmin2025-04-26T11:32:46+00:00MGR4450BDW 04 – GAS CONTROLS ProductsPositionProduct1MAY 740038502MAY 740039252MAY 740025322WP8273096 Whirlpool Screw3MAY 7404P096-603MAY 7101P280-604MAY 3412D018-265MAY 7510P049-606MAY 740023947MAY 740023938MAY 5187D030-608MAY 5187D031-6010MAY 7400243410SCREW11MAY 7400245611MAY 1555251128215557 Whirlpool Gas Stove Range Oven Cooktop Spark Module13NOT REQUIRED PART OR SEE NOTE FUSE (NOT REQUIRED)14MAY 7432P075-6014SCREW (10-24X5/16-NI)1512002280 Whirlpool Oven Valve Kit and Screw15MAY 7100323116MAY 7400253316WP7403P287-60 Whirlpool Igniter Switch17NUT, WING18MAY 7400628118MAY 7400532918MAY 7400238719MAY 7400423119MAY 1200120919MAY 74002457