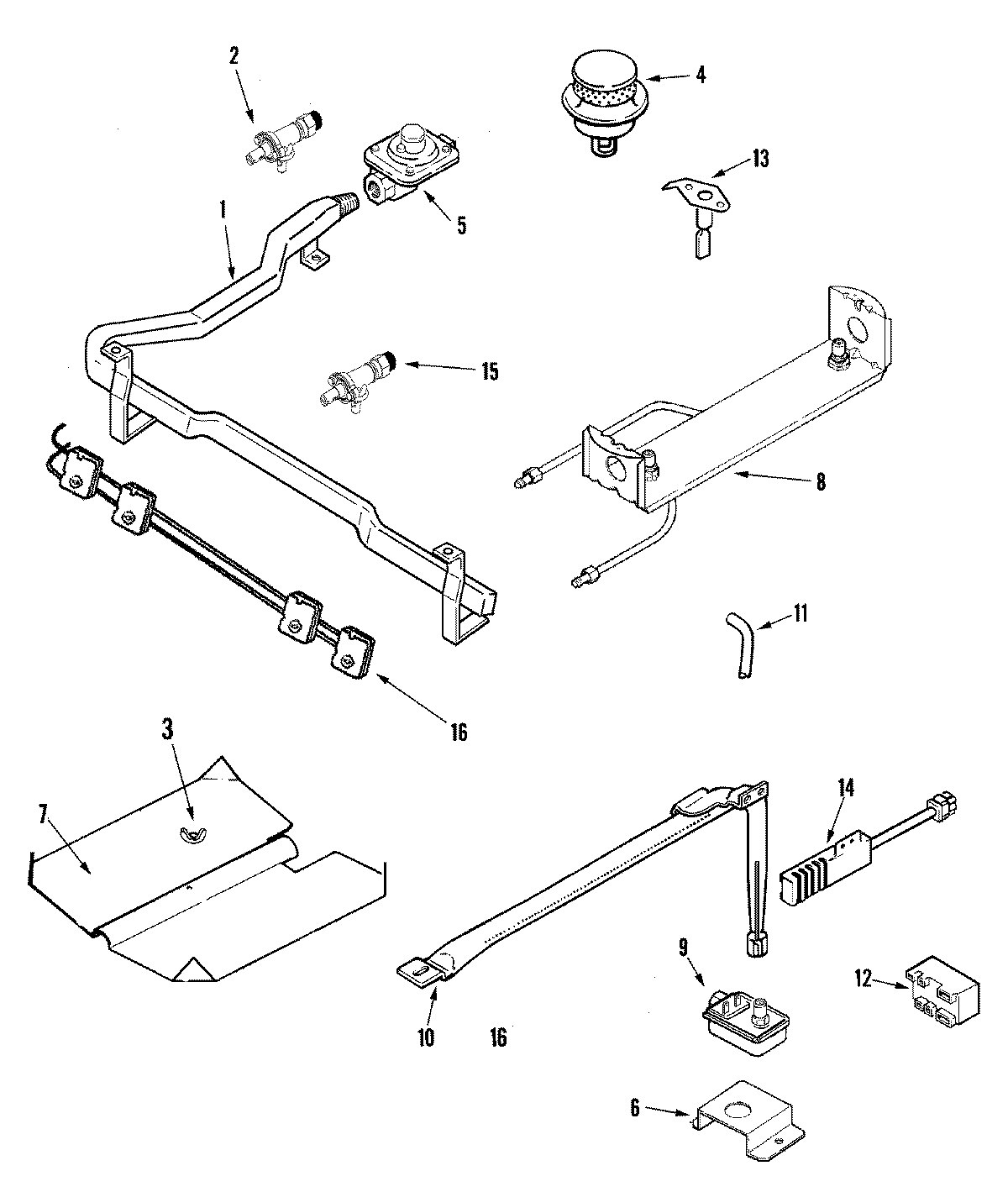
MGR4452BDW 05 – GAS CONTROLS