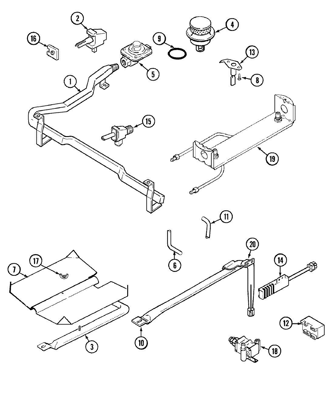
MGR4770ADH 04 – GAS CONTROLSadmin2025-04-26T09:11:51+00:00MGR4770ADH 04 – GAS CONTROLS ProductsPositionProduct1MAY 740038502WP8273096 Whirlpool Screw2MAY 740025322MAY 740039253MAY 3403D024-454WP3412D024-09 Whirlpool Oven Burner Head4MAY 3412D018-095MAY 7510P049-606MAY 740038597MAY 3601F217-458MAY Y7071139MAY 7201P050-6010SCREW10MAY 3403D043-4511MAY 1555258K11MAY 3414F102-4411MAY 155525112MAY 7400328813NOT REQUIRED PART OR SEE NOTE FUSE (NOT REQUIRED)1374004053 Whirlpool Range Cooktop Top Burner Electrode Spark Igniter14WP3351614 Whirlpool Screw14MAY 7432P076-6015MAY 7101P044-601512002280 Whirlpool Oven Valve Kit and Screw16WP7403P287-60 Whirlpool Igniter Switch16MAY 7400253317NUT, WING18MAY 740038581912001075 Whirlpool Oven Orifice and Tube Kit19MAY 1200107620MAY 7400245720MAY 7400236220MAY 1200120920MAY 3807F446-45