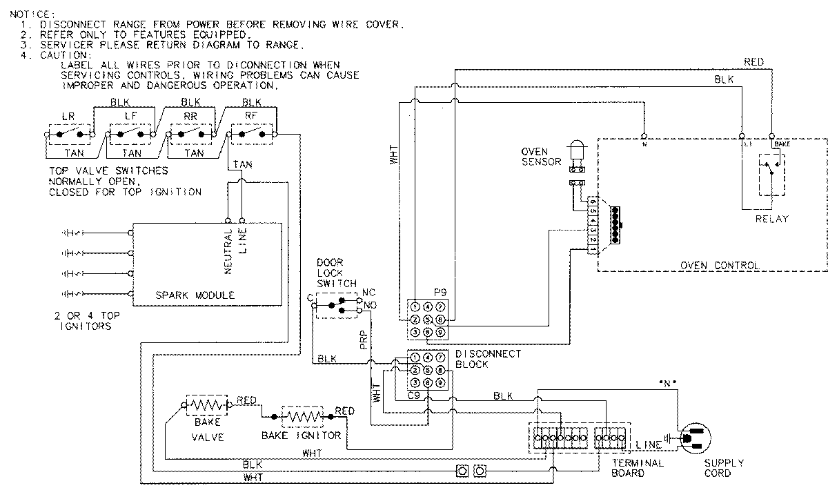
MGR5510ADL 07 – WIRING INFORMATIONadmin2025-04-26T09:14:42+00:00MGR5510ADL 07 – WIRING INFORMATION ProductsPositionProductNIMAY 15002280