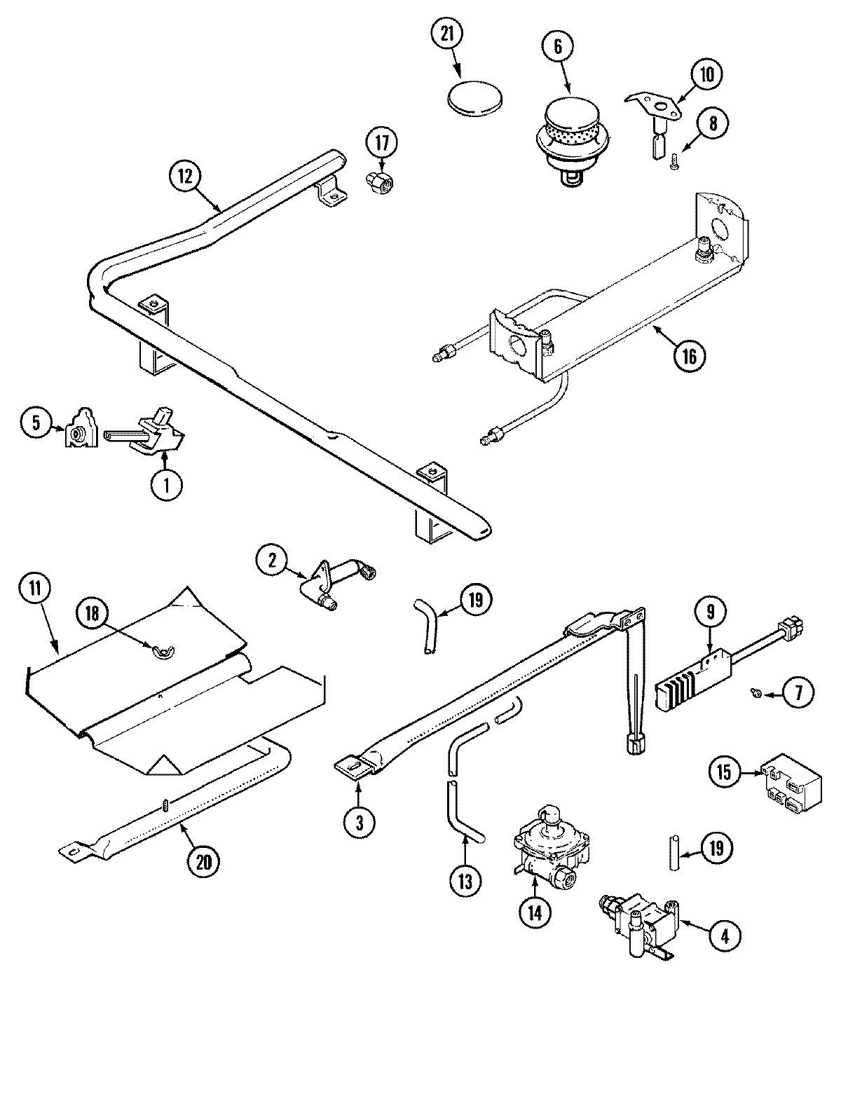
MGR5750BDQ 04 – GAS CONTROLSadmin2025-04-26T09:14:01+00:00MGR5750BDQ 04 – GAS CONTROLS ProductsPositionProduct1MAY 740070971MAY 710032311WP8273096 Whirlpool Screw1MAY 740039241MAY 740044092MAY 740043072MAY 740064213MAY 3807F446-453MAY 740039604WP74006427 Whirlpool Oven Valve5MAY 740070955WP7403P279-60 Whirlpool Igniter Switch6WP3412D021-09 Whirlpool Burner Assembly7SCREW (10-24X5/16-NI)8MAY Y7071139MAY 7432P075-609MAY 4005F421-4510MAY 740044101074004053 Whirlpool Range Cooktop Top Burner Electrode Spark Igniter11MAY 3601F217-4711MAY 7400923112MAY 7400642213MAY 7400642814WP74006429 Whirlpool Regulator158215557 Whirlpool Gas Stove Range Oven Cooktop Spark Module15MAY 7400526616MAY 7400350616WP5787M052-60 Whirlpool Fitting17MAY 7103P130-6018NUT, WING19MAY 7400643019MAY 1555258K20MAY 7400407621MAY 7100305422MAY 1200132323NOT REQUIRED PART OR SEE NOTE FUSE (NOT REQUIRED)