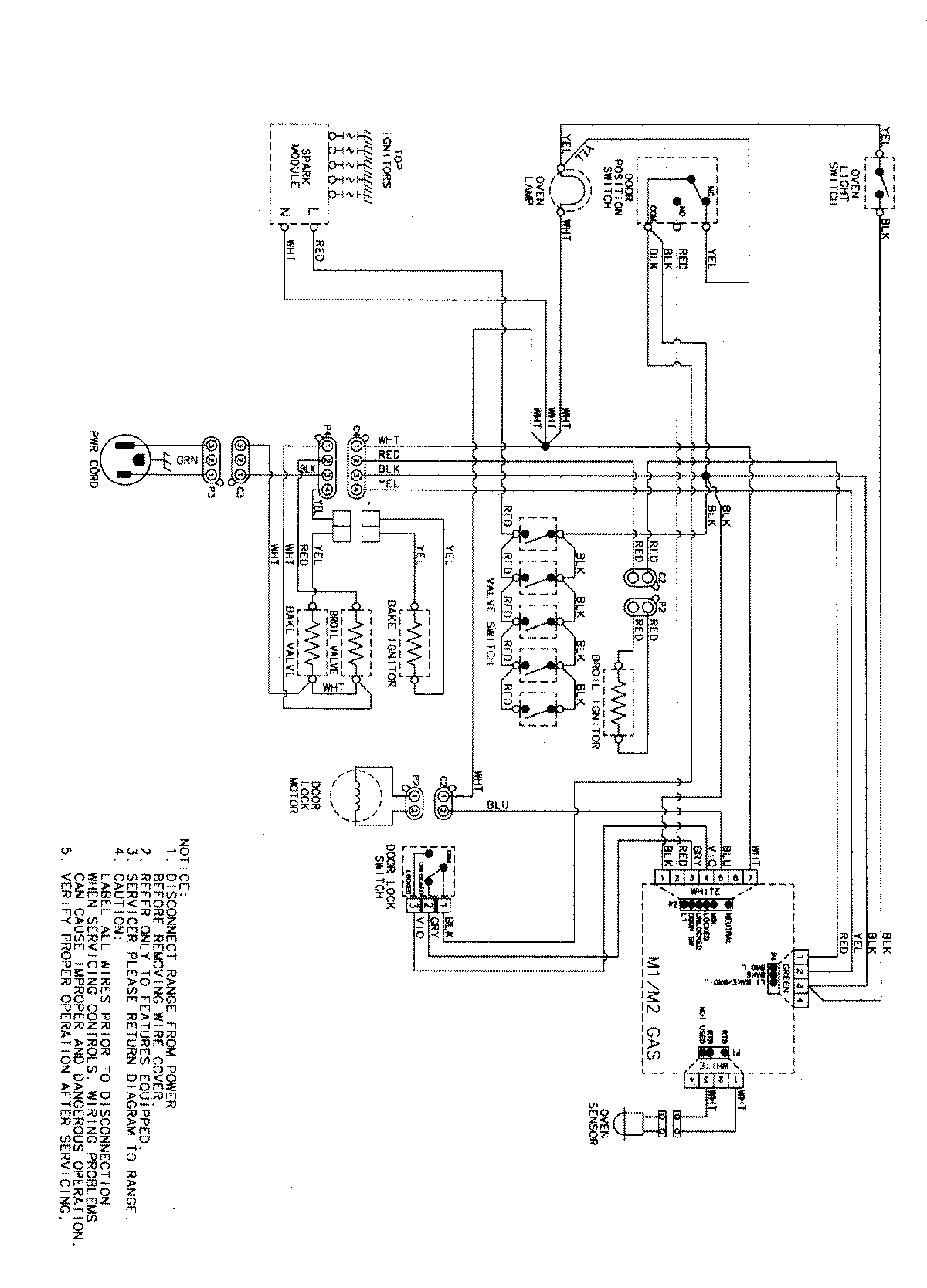
MGR5765QDS 06 – WIRING INFORMATION

MGR5765QDS 06 – WIRING INFORMATION

Products

PositionProduct
NIMAY 15003730