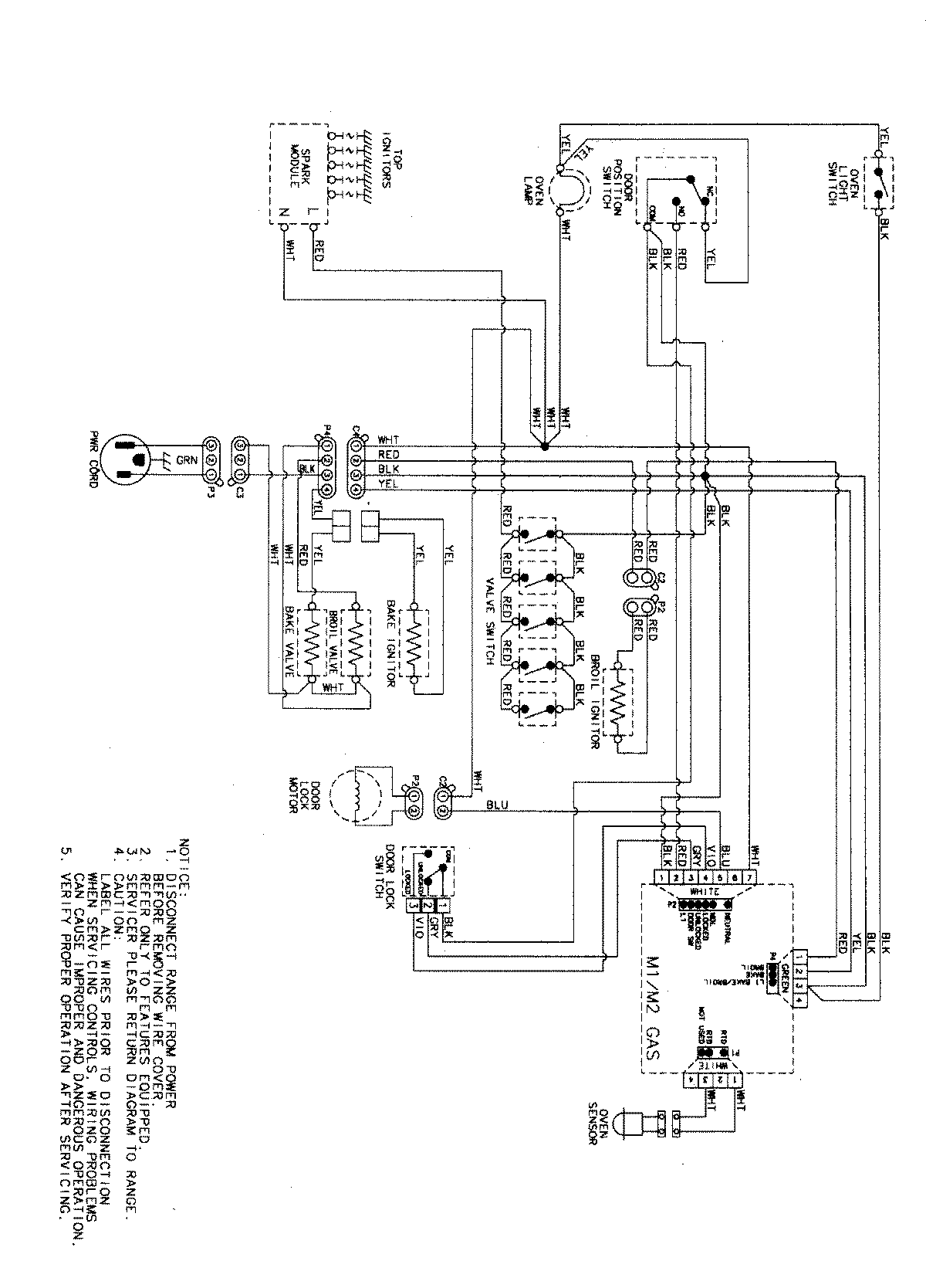
MGR5765QDW 08 – WIRING INFORMATIONadmin2025-04-26T09:13:06+00:00MGR5765QDW 08 – WIRING INFORMATION ProductsPositionProductNIMAY 15003730