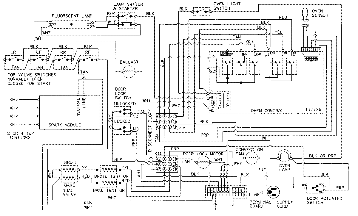
MGR5770ADB 07 – WIRING INFORMATION

MGR5770ADB 07 – WIRING INFORMATION

Products

PositionProduct
NIMAY 15002275