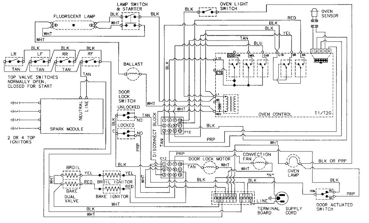
MGR5770ADQ 06 – WIRING INFORMATIONadmin2025-04-26T09:12:54+00:00MGR5770ADQ 06 – WIRING INFORMATION ProductsPositionProductNIMAY 15002275