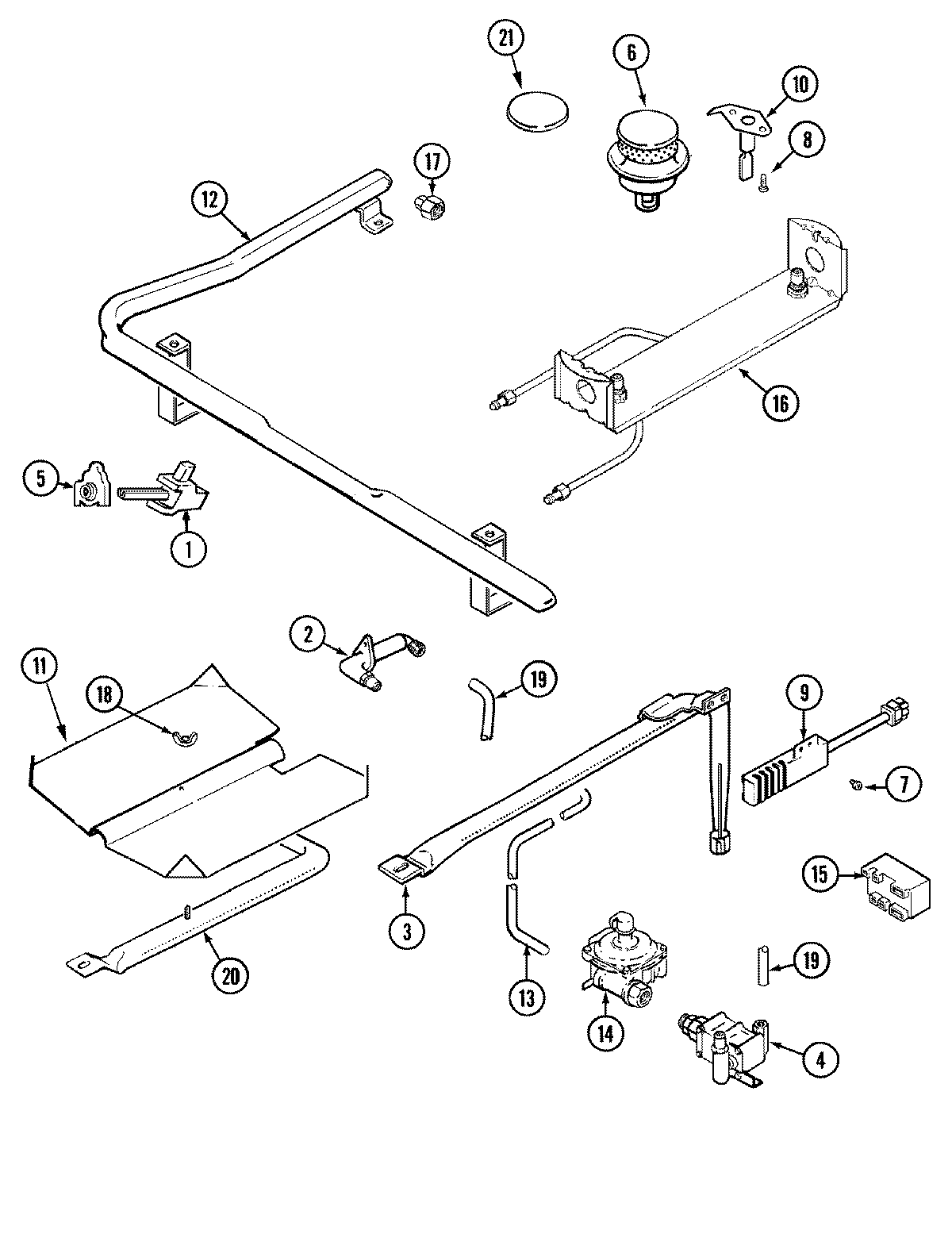
MGR5770BDQ 04 – GAS CONTROLSadmin2025-04-26T09:14:09+00:00MGR5770BDQ 04 – GAS CONTROLS ProductsPositionProduct1MAY 740044091MAY 740043031MAY 740039241MAY 710032311WP8273096 Whirlpool Screw2MAY 740064212MAY 740043073MAY 740039603MAY 3807F446-454WP74006427 Whirlpool Oven Valve5MAY 740025335WP7403P279-60 Whirlpool Igniter Switch6WP3412D021-09 Whirlpool Burner Assembly6MAY 740039667SCREW (10-24X5/16-NI)8MAY Y7071139MAY 4005F421-459MAY 7432P075-6010MAY 740044101074004053 Whirlpool Range Cooktop Top Burner Electrode Spark Igniter11MAY 3601F217-4711MAY 7400923112MAY 7400642213MAY 7400642814WP74006429 Whirlpool Regulator158215557 Whirlpool Gas Stove Range Oven Cooktop Spark Module15MAY 7400526616WP5787M052-60 Whirlpool Fitting16MAY 7400350617MAY 7103P130-6018NUT, WING19MAY 1555258K19MAY 7400643020MAY 7400407621MAY 7100305422MAY 1200132323NOT REQUIRED PART OR SEE NOTE FUSE (NOT REQUIRED)