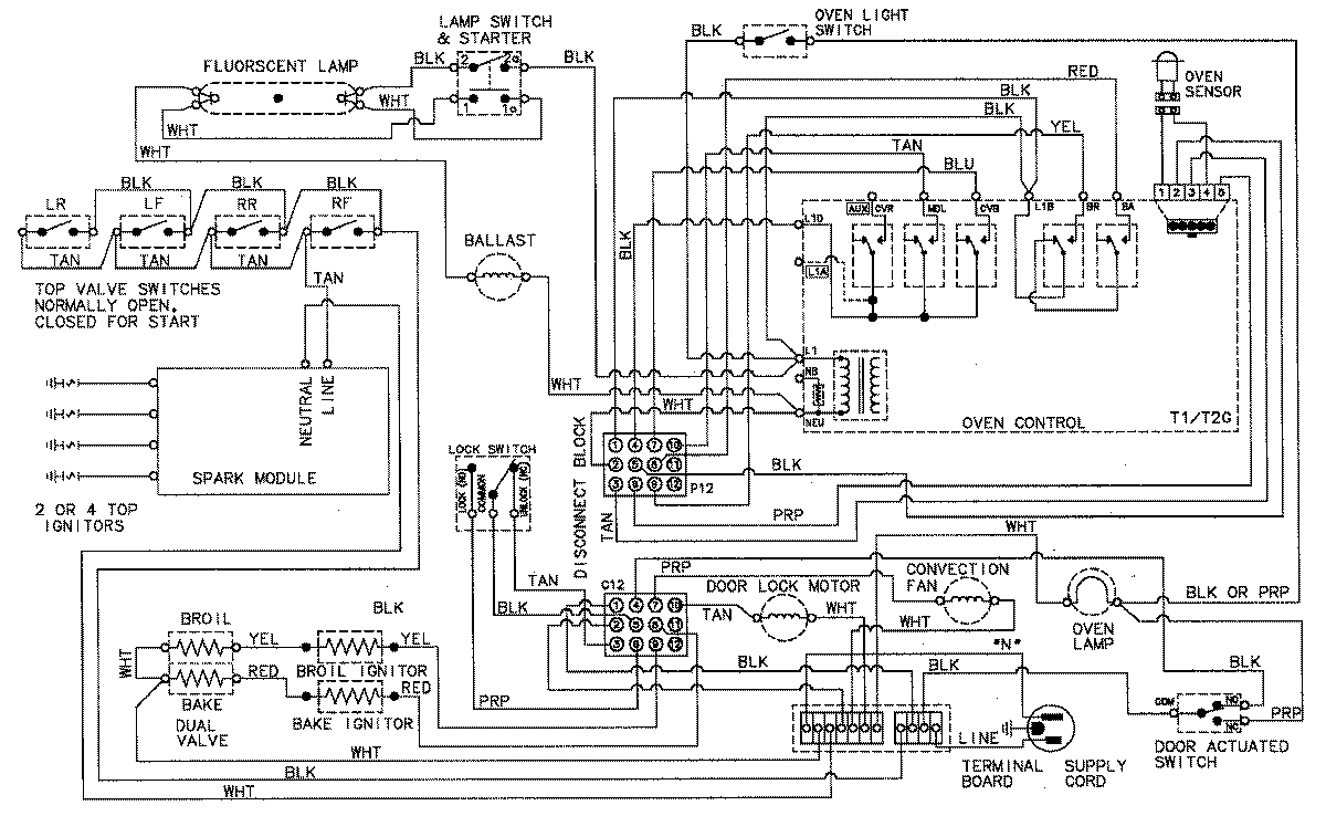
MGR5770BDQ 07 – WIRING INFORMATIONadmin2025-04-26T09:14:33+00:00MGR5770BDQ 07 – WIRING INFORMATION ProductsPositionProductNIMAY 15002784