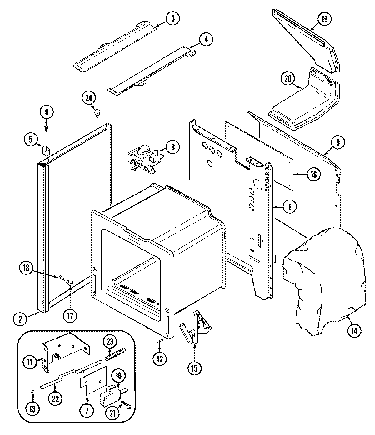
| 1 | MAY 74003451 |
| 2 | TAPE, FOIL (3`` WIDE) |
| 2 | MAY 74004965 |
| 3 | MAY 74002633 |
| 4 | MAY 74002632 |
| 5 | SPACER, MAIN TOP (LT) |
| 5 | SPACER, MAIN TOP (RT) |
| 6 | MAY 7101P313-60 |
| 7 | MAY 74001872 |
| 8 | MAY 74005575 |
| 8 | MAY 74003559 |
| 9 | MAY 74003816 |
| 10 | MAY 74001802 |
| 11 | WPY706189 Whirlpool Stove Screw |
| 11 | BRACKET, SWITCH ACTUATOR |
| 12 | SCREW (10-24X5/16-NI) |
| 13 | MAY 74001631 |
| 14 | MAY 74003381 |
| 14 | WP74010942 Whirlpool Insulation |
| 14 | MAY 74003385 |
| 15 | HINGE-OVEN DOOR |
| 16 | SCREW |
| 16 | MAY 3604F165-51 |
| 17 | MAY 8004P024-60 |
| 18 | MAY 74001449 |
| 18 | W11693756 Whirlpool Screw Assembly |
| 19 | MAY 4022W007-19 |
| 19 | SCREW (8BX3/8-NI) |
| 20 | MAY 74002367 |
| 20 | WP74003976 Whirlpool Screw |
| 21 | MAY 7101P330-60 |
| 22 | ROD, DOOR LIGHT SWITCH |