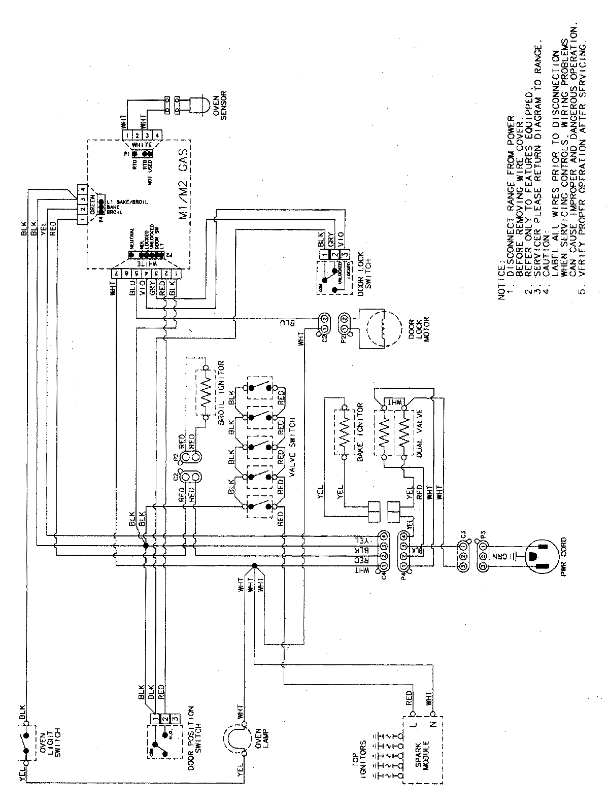
MGR5775QDQ 07 – WIRING INFORMATIONadmin2025-04-26T09:14:10+00:00MGR5775QDQ 07 – WIRING INFORMATION ProductsPositionProductNIMAY 15003466NIMAY 15003326