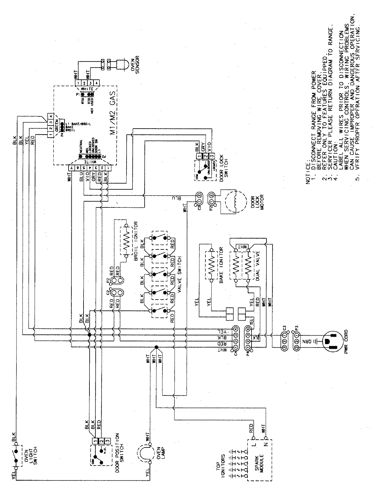
MGR5775QDW 07 – WIRING INFORMATIONadmin2025-04-26T09:14:26+00:00MGR5775QDW 07 – WIRING INFORMATION ProductsPositionProductNIMAY 15003466NIMAY 15003326