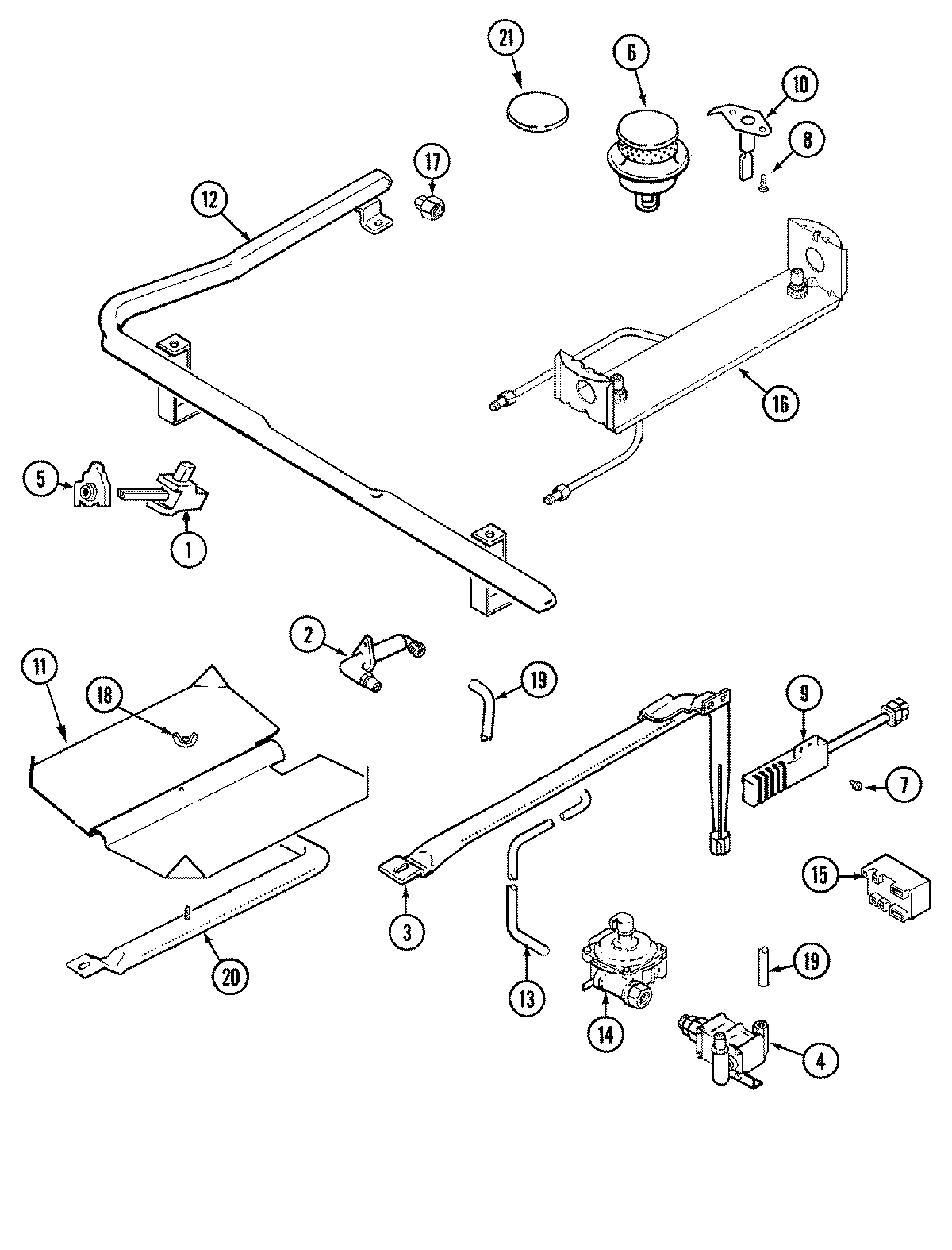
MGR5780BDS 04 – GAS CONTROLSadmin2025-04-26T09:13:51+00:00MGR5780BDS 04 – GAS CONTROLS ProductsPositionProduct1MAY 740039241MAY 740043031MAY 710032311WP8273096 Whirlpool Screw1MAY 740044092MAY 740043072MAY 740064213MAY 3807F446-453MAY 740039604WP74006427 Whirlpool Oven Valve5WP7403P279-60 Whirlpool Igniter Switch5MAY 740025336WP3412D024-09 Whirlpool Oven Burner Head6WP3412D021-09 Whirlpool Burner Assembly7SCREW (10-24X5/16-NI)8MAY Y7071139MAY 4005F421-459MAY 7432P075-6010MAY 740044101074004053 Whirlpool Range Cooktop Top Burner Electrode Spark Igniter11MAY 7400923111MAY 3601F217-4712MAY 7400642213MAY 7400642814WP74006429 Whirlpool Regulator158215557 Whirlpool Gas Stove Range Oven Cooktop Spark Module15MAY 7400669316WP5787M052-60 Whirlpool Fitting16MAY 7400668217MAY 7103P130-6018NUT, WING19MAY 1555258K19MAY 7400643020MAY 7400407621WP3403F088-00 Whirlpool Burner Cap22MAY 1200132322MAY 7400651623NOT REQUIRED PART OR SEE NOTE FUSE (NOT REQUIRED)