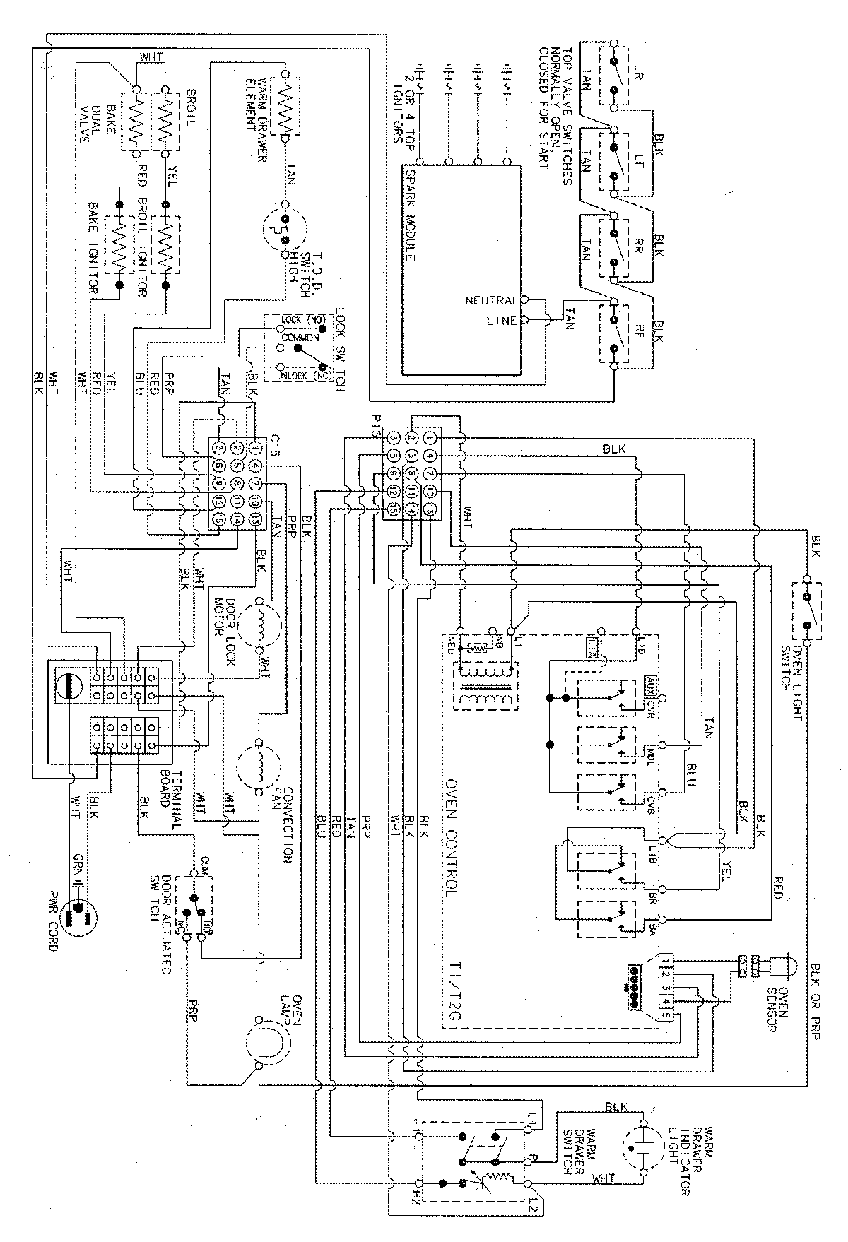
MGR5780BDS 07 – WIRING INFORMATIONadmin2025-04-26T09:13:04+00:00MGR5780BDS 07 – WIRING INFORMATION ProductsPositionProductNIMAY 15002888