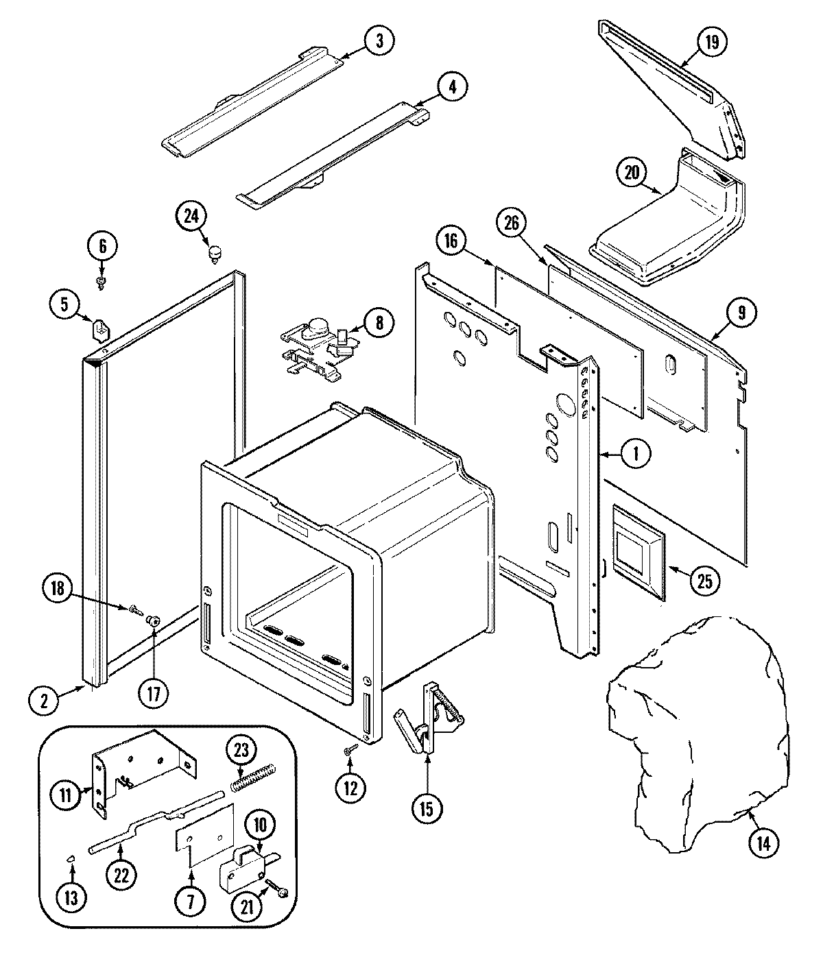
MGR5870ADQ 01 – BODY