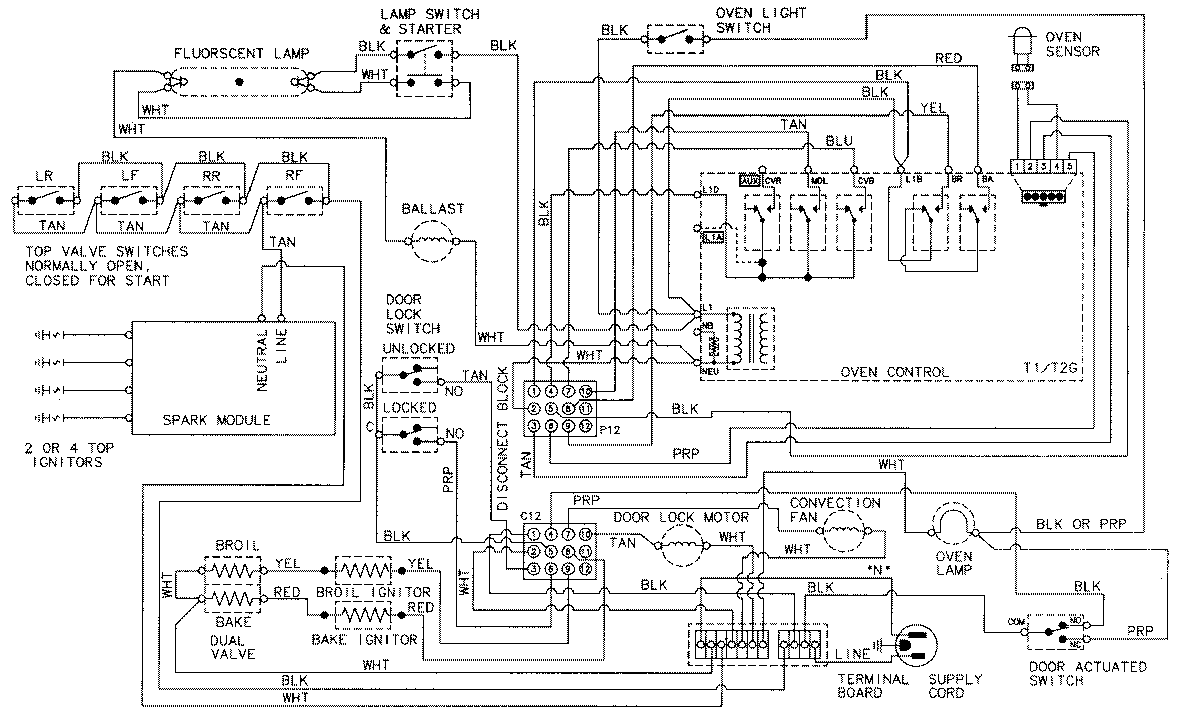
MGR5870ADW 07 – WIRING INFORMATION

MGR5870ADW 07 – WIRING INFORMATION

Products

PositionProduct
NIMAY 15002275