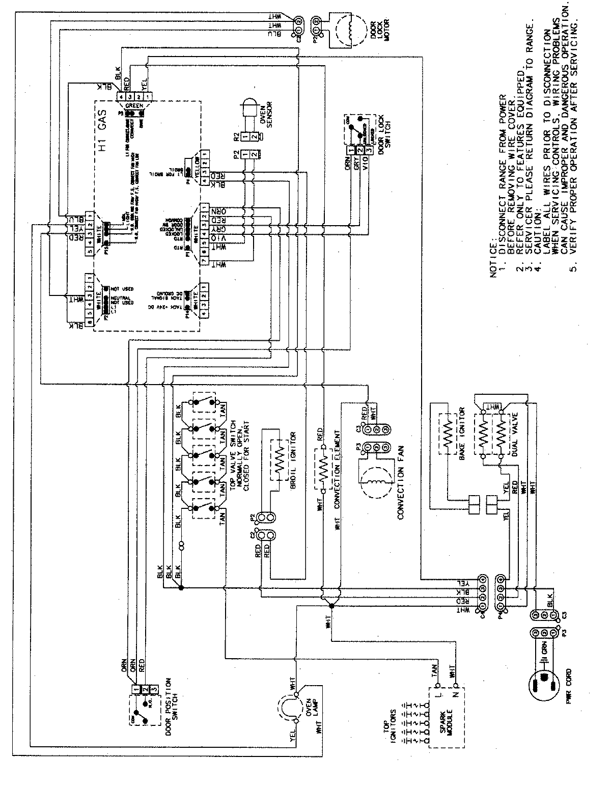
MGR5875QDB 07 – WIRING INFORMATIONadmin2025-04-26T09:13:31+00:00MGR5875QDB 07 – WIRING INFORMATION ProductsPositionProductNIMAY 15003325NIMAY 15003470