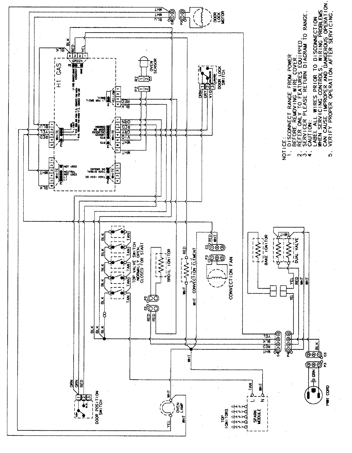
MGR5875QDQ 07 – WIRING INFORMATION

MGR5875QDQ 07 – WIRING INFORMATION

Products

PositionProduct
NIMAY 15003325
NIMAY 15003470