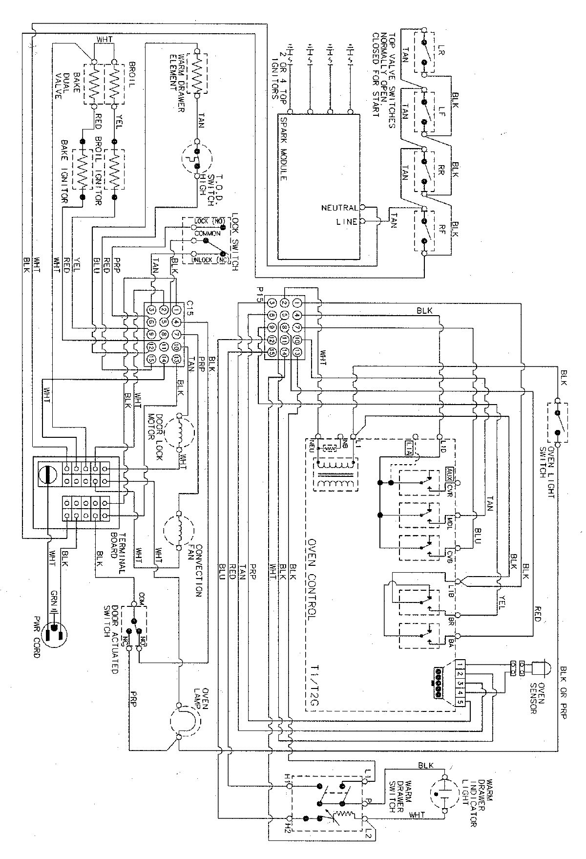
MGR5880BDQ 07 – WIRING INFORMATIONadmin2025-04-26T09:13:08+00:00MGR5880BDQ 07 – WIRING INFORMATION ProductsPositionProductNIMAY 15002888