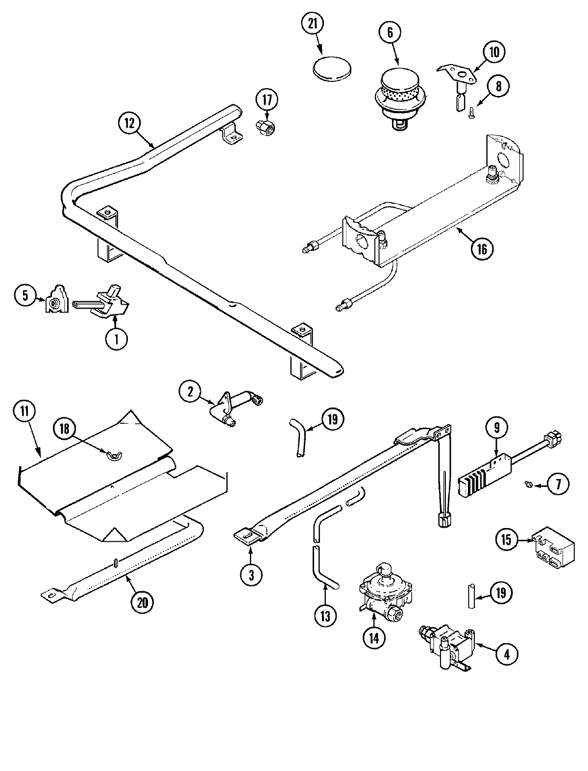
MGR5880BDS 04 – GAS CONTROLS