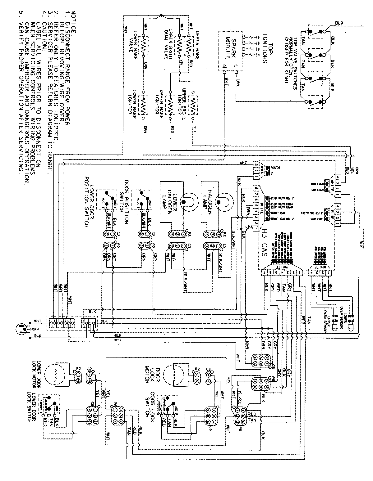
MGR6775ADB 08 – WIRING INFORMATIONadmin2025-04-26T09:14:26+00:00MGR6775ADB 08 – WIRING INFORMATION ProductsPositionProductNIMAY 15003562