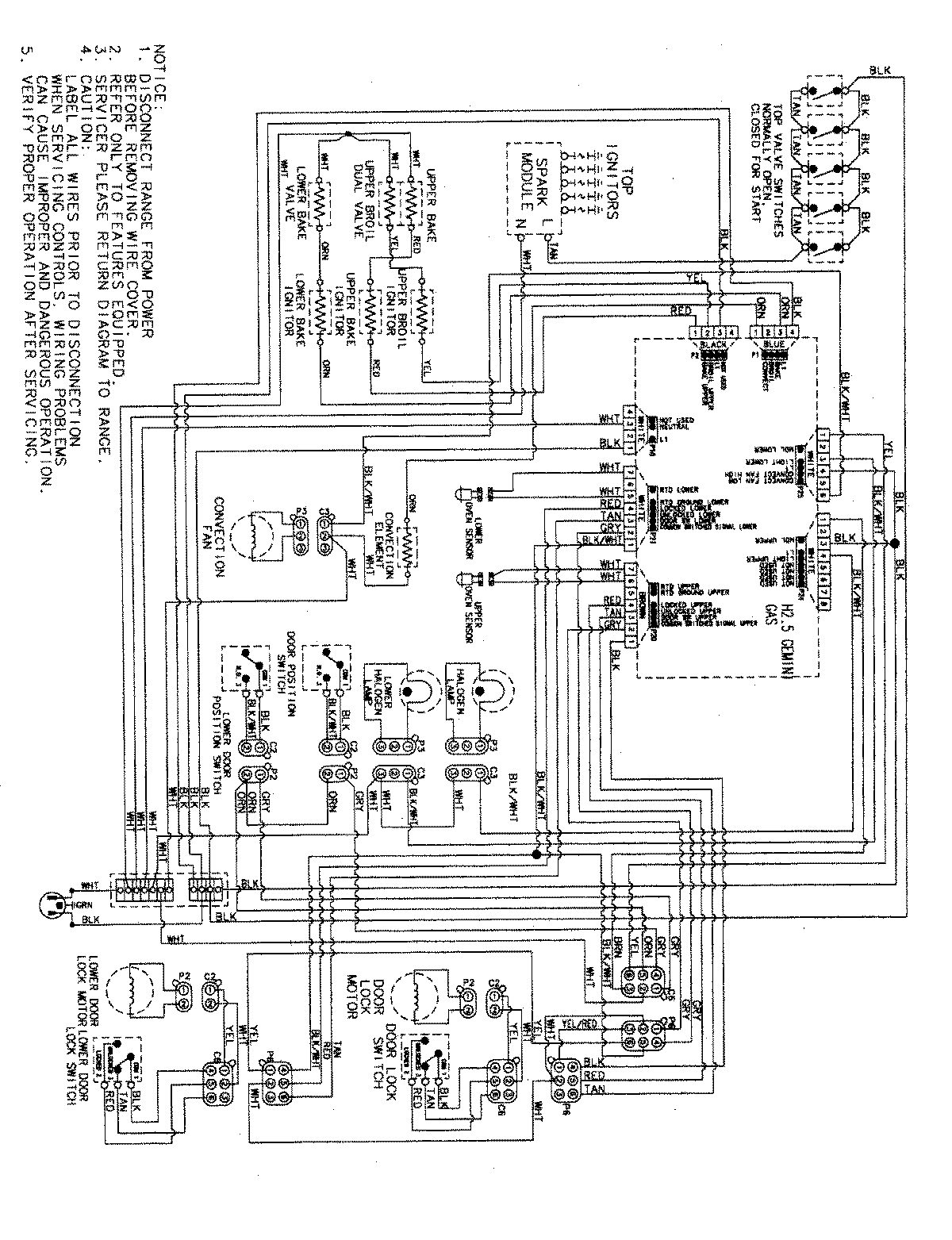
MGR6875ADB 08 – WIRING INFORMATIONadmin2025-04-26T09:13:53+00:00MGR6875ADB 08 – WIRING INFORMATION ProductsPositionProductNIMAY 15003574