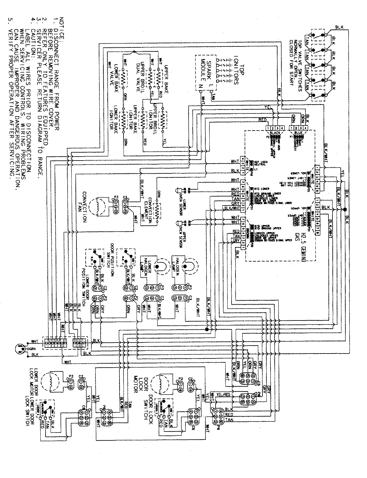
MGR6875ADS 08 – WIRING INFORMATIONadmin2025-04-26T09:13:27+00:00MGR6875ADS 08 – WIRING INFORMATION ProductsPositionProductNIMAY 15003574