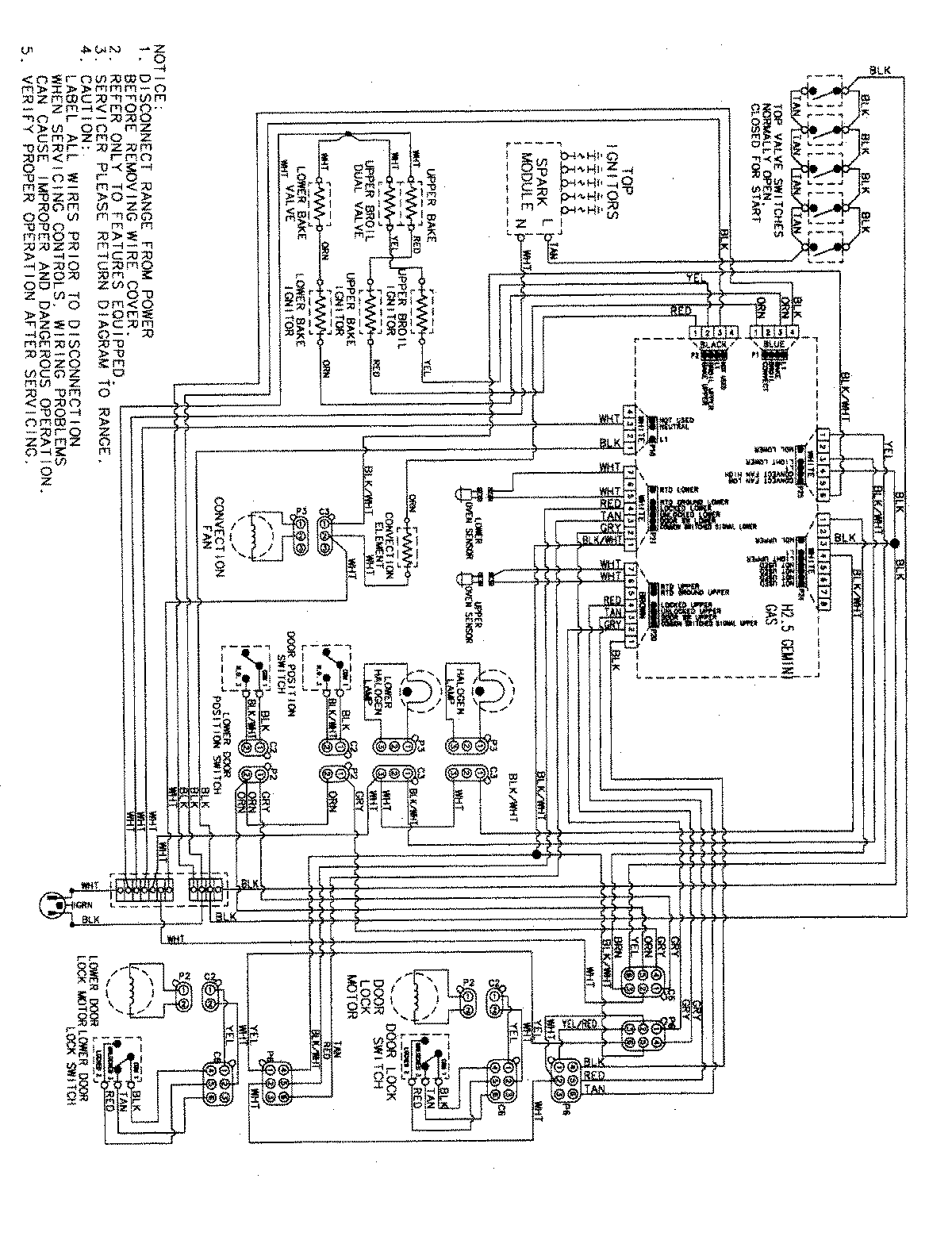
MGR6875ADW 08 – WIRING INFORMATIONadmin2025-04-26T09:15:06+00:00MGR6875ADW 08 – WIRING INFORMATION ProductsPositionProductNIMAY 15003574