MGR7685AB2 04 – MANIFOLD PARTSadmin2025-04-26T09:14:43+00:00MGR7685AB2 04 – MANIFOLD PARTS
Products
| Position | Product |
|---|
| NI | MAY W10400498 |
| NI | ORIFICE, LP BAKE |
| NI | SPUDS, LP GAS (KIT OF 4) |
| NI | LINER (NOT A SERVICEABLE PART) |
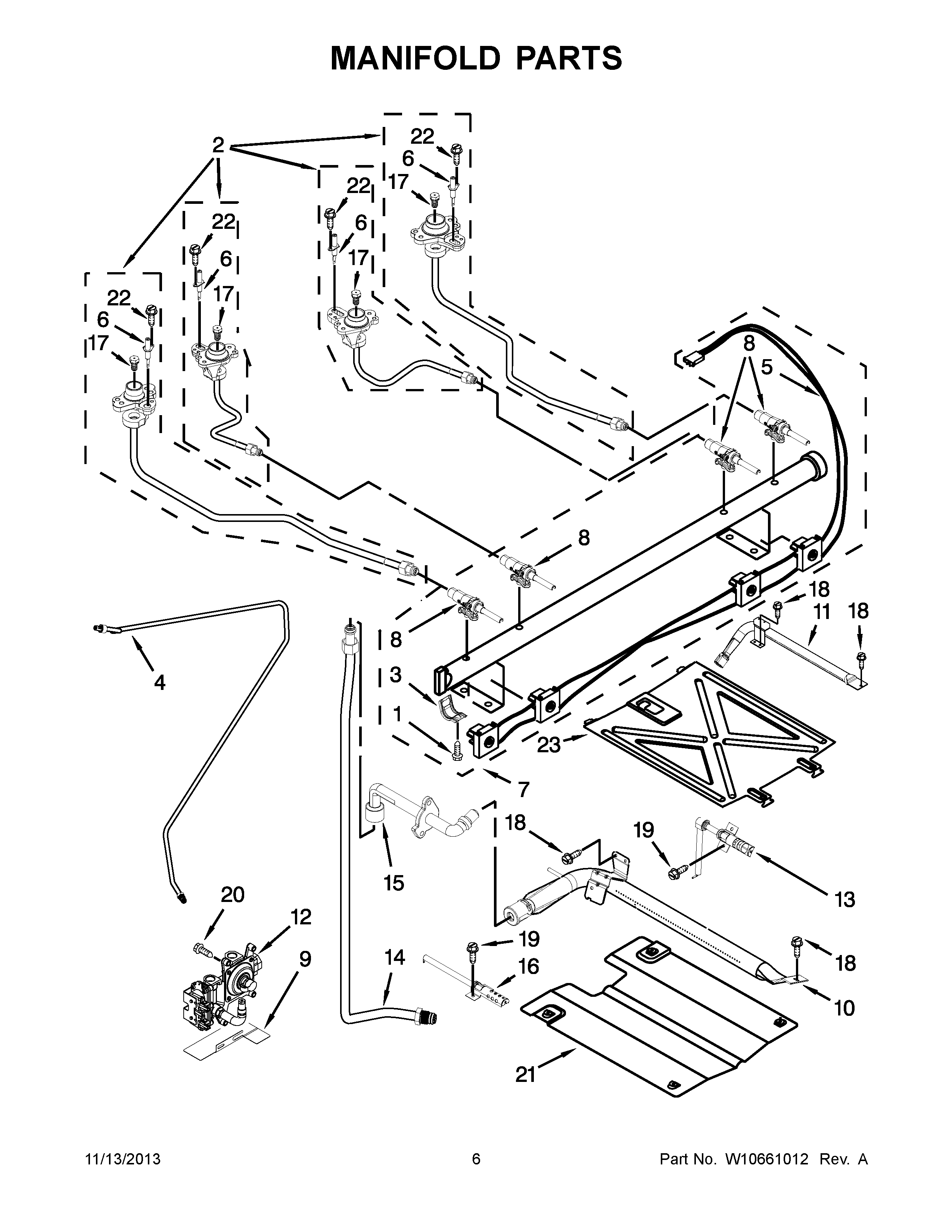
| 1 | SCREW, VALVE |
| 2 | ASSEMBLY, ORIFICE HOLDER (9.5K) (LEFT REAR) |
| 2 | ASSEMBLY, ORIFICE HOLDER (15K) (RIGHT FRONT) |
| 2 | ASSEMBLY, ORIFICE HOLDER (5K) (RIGHT REAR) |
| 2 | ASSEMBLY, ORIFICE HOLDER (15K) (LEFT FRONT) |
| 3 | BRACKET, SADDLE VALVE |
| 4 | TUBING (MANIFOLD TO REGULATOR) |
| 5 | MAY W10295998 |
| 6 | Electrode (4) |
| 7 | MAY W10314241 |
| 8 | VALVE, GAS (LEFT REAR) |
| 8 | VALVE, GAS (RIGHT REAR) |
| 8 | VALVE, GAS (LEFT FRONT & RIGHT FRONT) |
| 9 | BRACKET, AEGIS |
| 10 | BURNER, BROILER |
| 11 | BURNER, BAKE |
| 12 | REGULATOR |
| 13 | ELECTRODE, BAKE |
| 14 | TUBE, BROILER SUPPLY |
| 15 | MAY W10340259 |
| 16 | Igniter (Broil) |
| 17 | ORIFICE, NATURAL (5K) (RIGHT REAR) |
| 17 | ORIFICE, NATURAL (9.5K) (LEFT REAR) |
| 17 | ORIFICE (15K) (LEFT FRONT & RIGHT FRONT) |
| 18 | SCREW |
| 19 | SCREW |
| 20 | SCREW |
| 21 | SPREADER, FLAME (BROILER) |
| 22 | MAY 8273062 |
| 23 | SPREADER, FLAME (OVEN) |