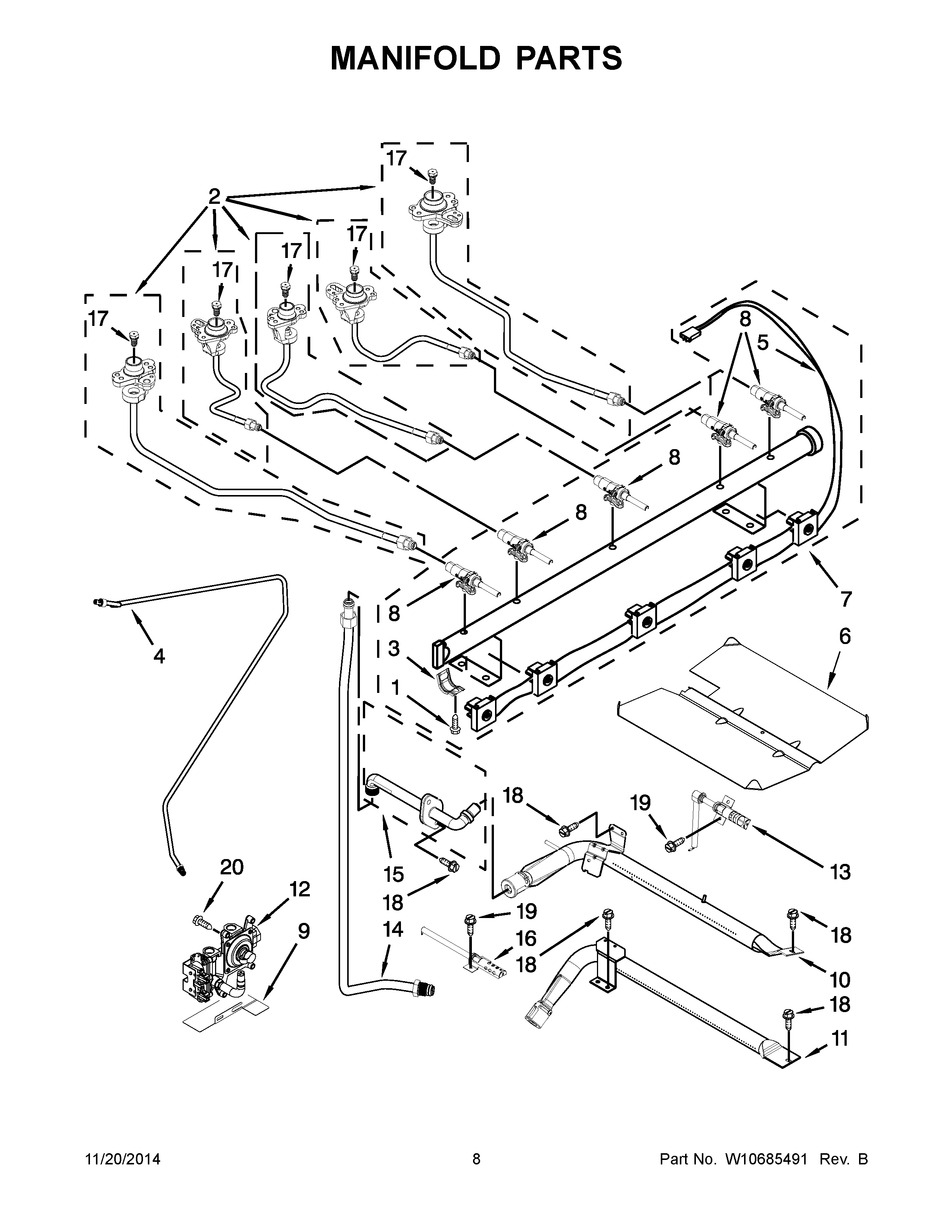
MGR8700DB0 05 – MANIFOLD PARTSadmin2025-04-26T09:17:00+00:00MGR8700DB0 05 – MANIFOLD PARTS
Products
| Position | Product |
|---|
| NI | KIT, LP 5 ORIFICE CONVERSION |
| 1 | SCREW, VALVE |
| 2C | ASSEMBLY, ORIFICE HOLDER (5K) (RIGHT REAR) |
| 2 | HOLDER, ORIFICE (LEFT FRONT (17K)) |
| 2A | ASSEMBLY, ORIFICE HOLDER (9.5K) (LEFT REAR) |
| 2D | HOLDER, ORIFICE (CENTER (8K)) |
| 2B | ASSEMBLY, ORIFICE HOLDER (15K) (RIGHT FRONT) |
| 3 | BRACKET, SADDLE VALVE |
| 4 | MAY W10510125 |
| 5 | MAY W10413868 |
| 6 | MAY 3601P336-45 |
| 7 | MAY W10413870 |
| 8 | VALVE, GAS (LEFT FRONT & RIGHT FRONT) |
| 8A | VALVE, GAS (LEFT REAR) |
| 8B | VALVE, GAS (RIGHT REAR) |
| 9 | BRACKET, AEGIS |
| 10 | MAY W10439242 |
| 11 | MAY W10680035 |
| 12 | MAY W10602004 |
| 13 | ELECTRODE, BAKE |
| 14 | MAY W10306050 |
| 15 | MAY W10319134 |
| 16 | ELECTRODE, BROIL |
| 17 | MAY W10170511 |
| 17D | MAY W10170507 |
| 17A | ORIFICE, NATURAL (9.5K) (LEFT REAR) |
| 17C | ORIFICE, NATURAL (5K) (RIGHT REAR) |
| 17B | ORIFICE (15K) (LEFT FRONT & RIGHT FRONT) |
| 18 | SCREW |
| 19 | SCREW |
| 20 | SCREW |