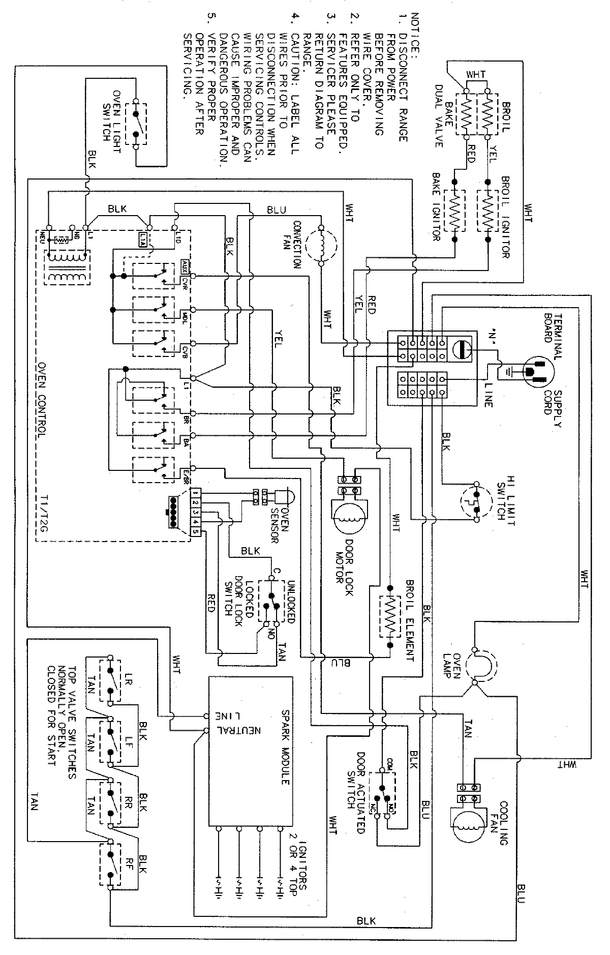
MGS5770ADB 06 – WIRING INFORMATIONadmin2025-04-26T13:05:08+00:00MGS5770ADB 06 – WIRING INFORMATION ProductsPositionProductNIMAY 15002577