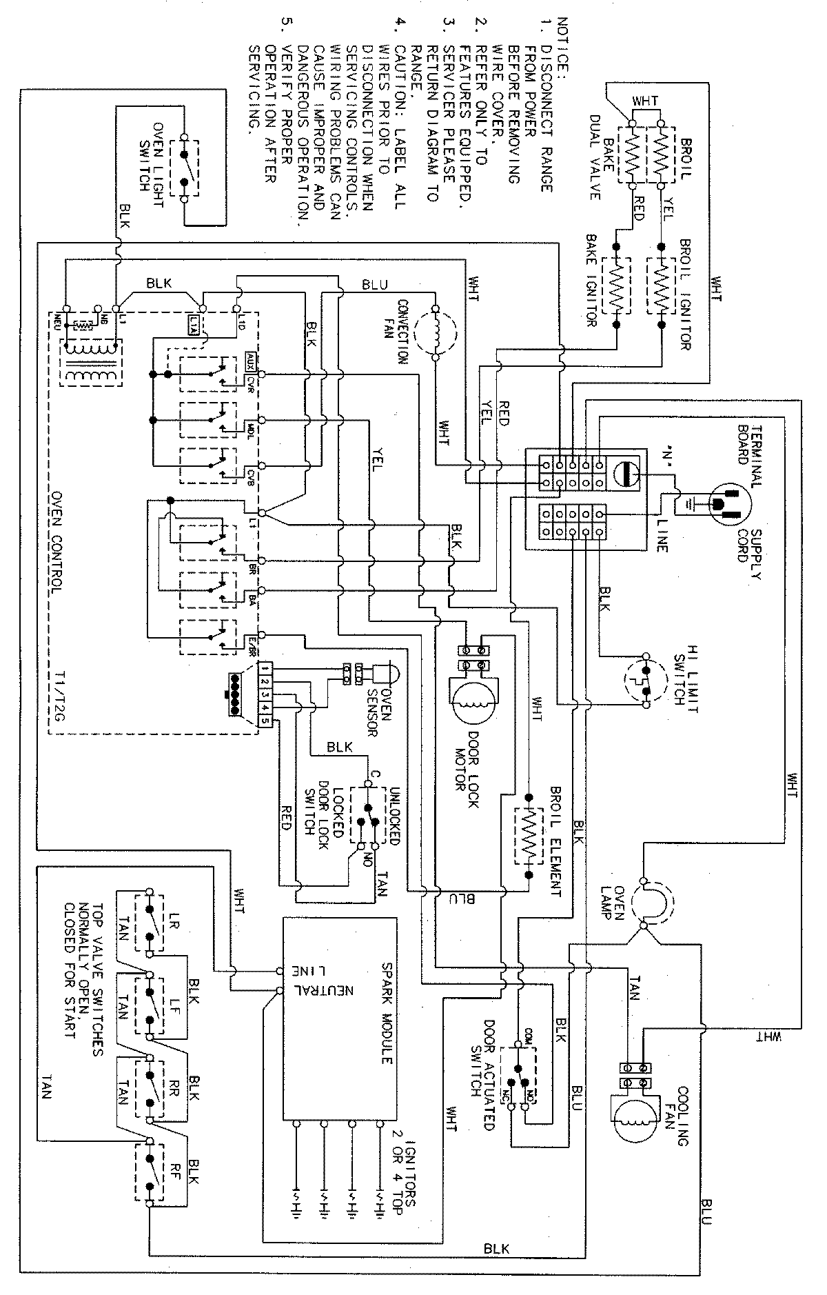
MGS5770ADC 06 – WIRING INFORMATIONadmin2025-04-26T13:05:59+00:00MGS5770ADC 06 – WIRING INFORMATION ProductsPositionProductNIMAY 15002577