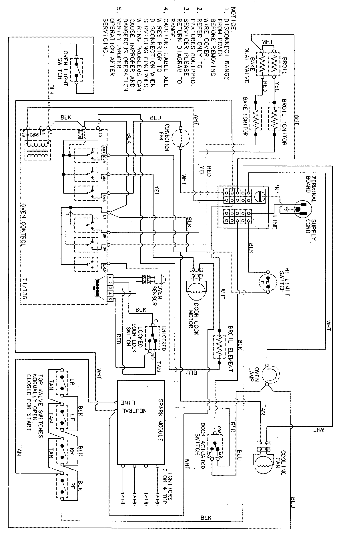
MGS5770ADW 06 – WIRING INFORMATIONadmin2025-04-26T13:09:21+00:00MGS5770ADW 06 – WIRING INFORMATION ProductsPositionProductNIMAY 15002577