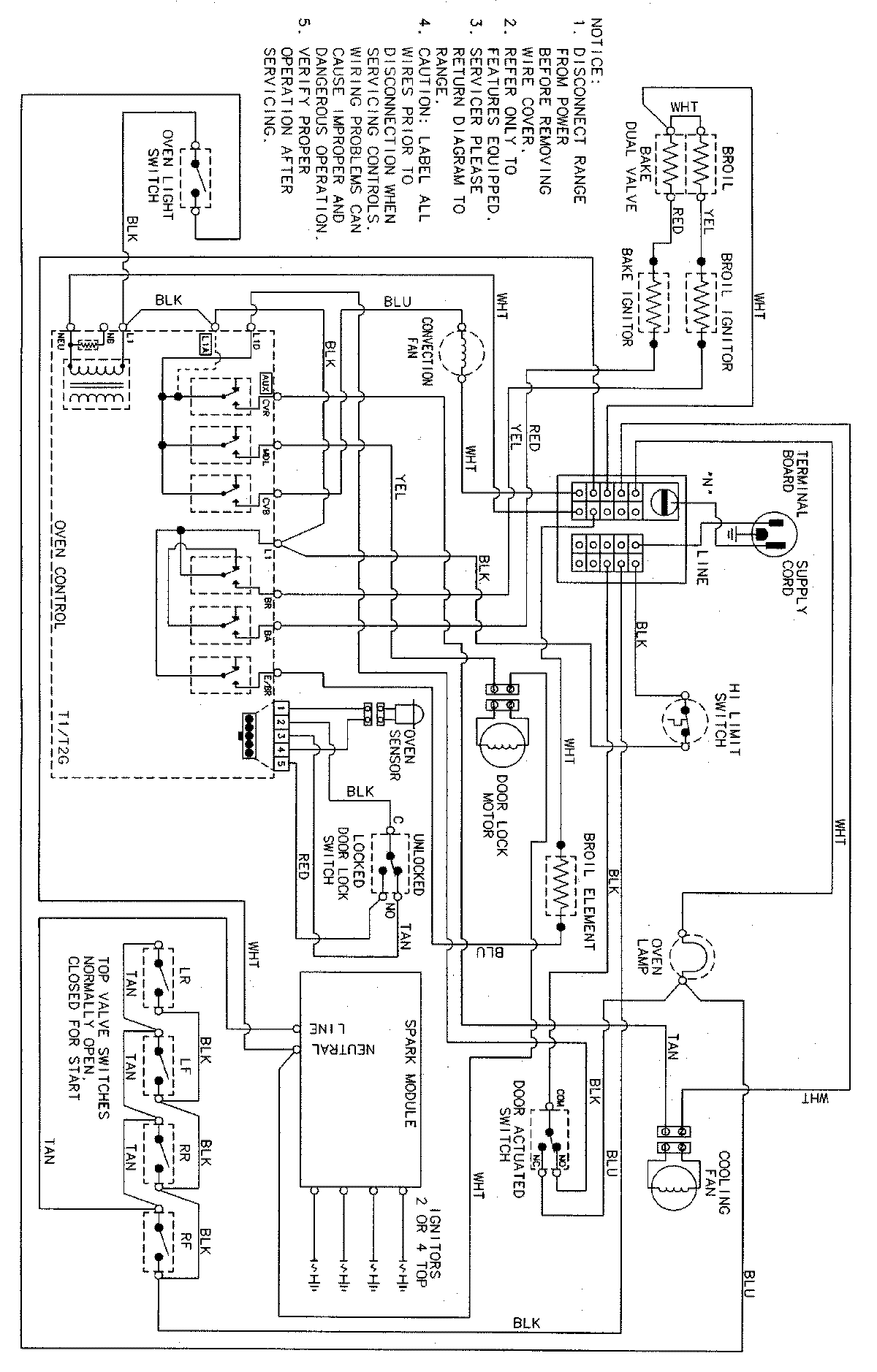
MGS5870ADC 06 – WIRING INFORMATION

MGS5870ADC 06 – WIRING INFORMATION

Products

PositionProduct
NIMAY 15002577