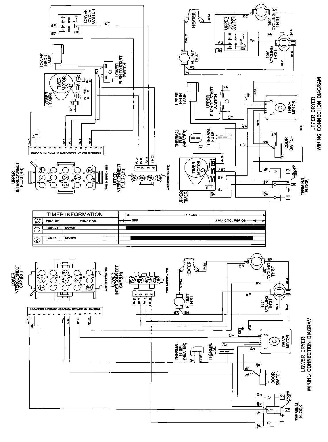
MHE15MNAYW 07 – WIRING INFORMATION

MHE15MNAYW 07 – WIRING INFORMATION

Products

PositionProduct
001DOWEL PIN FOR HANDLE