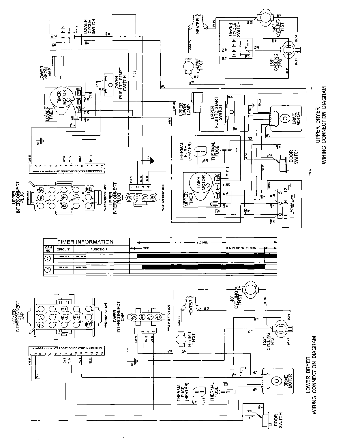
MHE15MNAZW 07 – WIRING INFORMATIONadmin2025-04-26T13:09:18+00:00MHE15MNAZW 07 – WIRING INFORMATION ProductsPositionProduct001DOWEL PIN FOR HANDLE