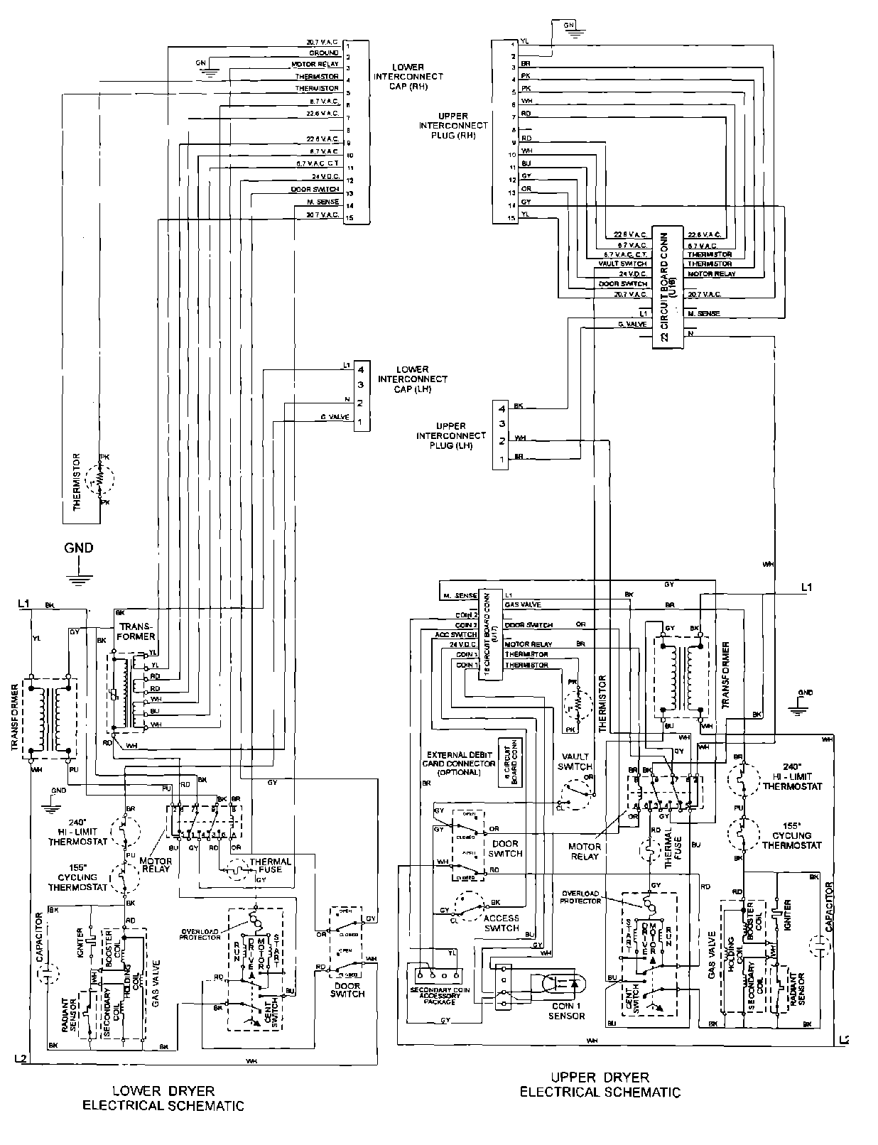
MHG15PDAEW 07 – WIRING INFORMATIONadmin2025-04-26T13:09:11+00:00MHG15PDAEW 07 – WIRING INFORMATION ProductsPositionProduct001DOWEL PIN FOR HANDLE