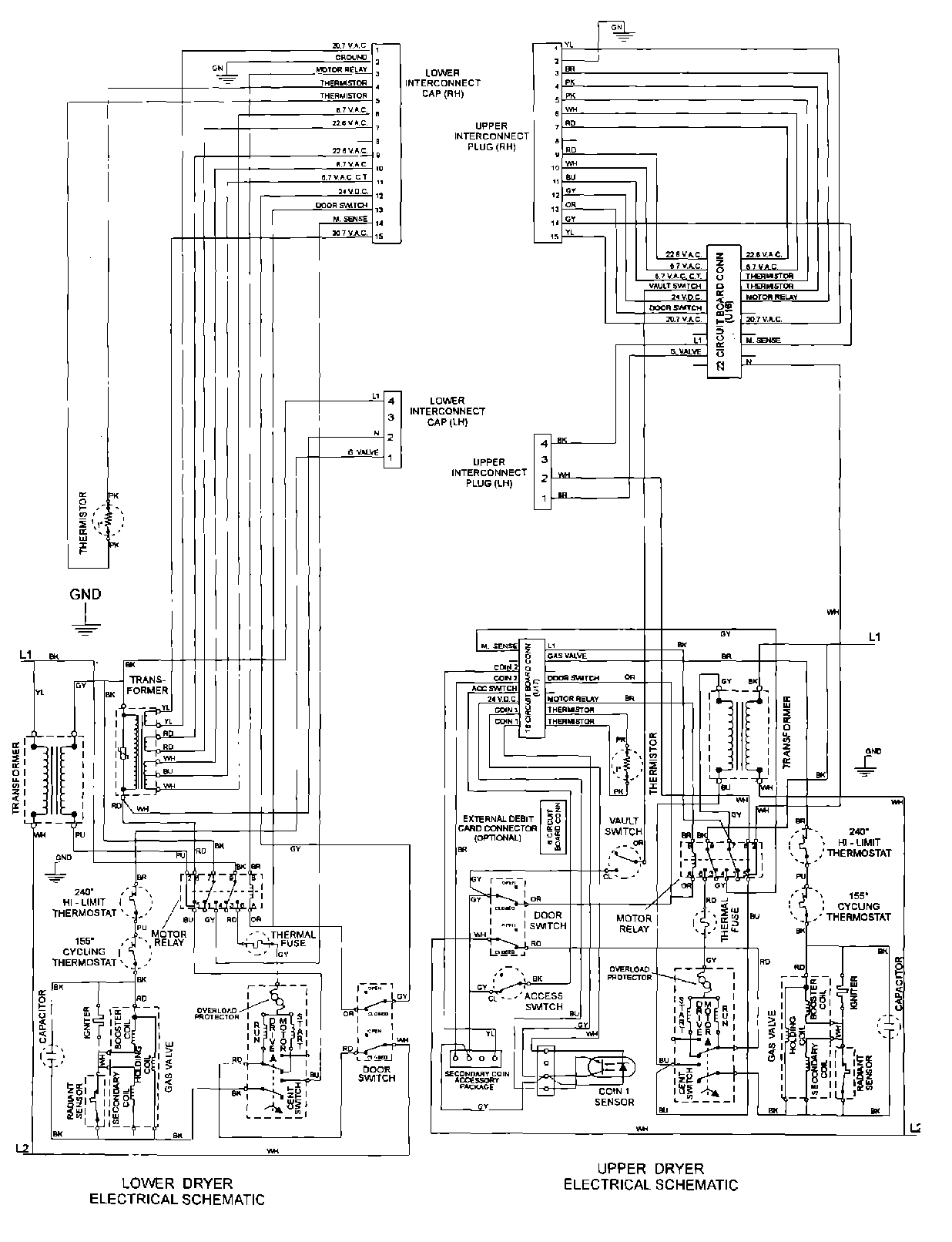
MHG15PDAGW 07 – WIRING INFORMATIONadmin2025-04-26T13:08:48+00:00MHG15PDAGW 07 – WIRING INFORMATION ProductsPositionProduct001DOWEL PIN FOR HANDLE