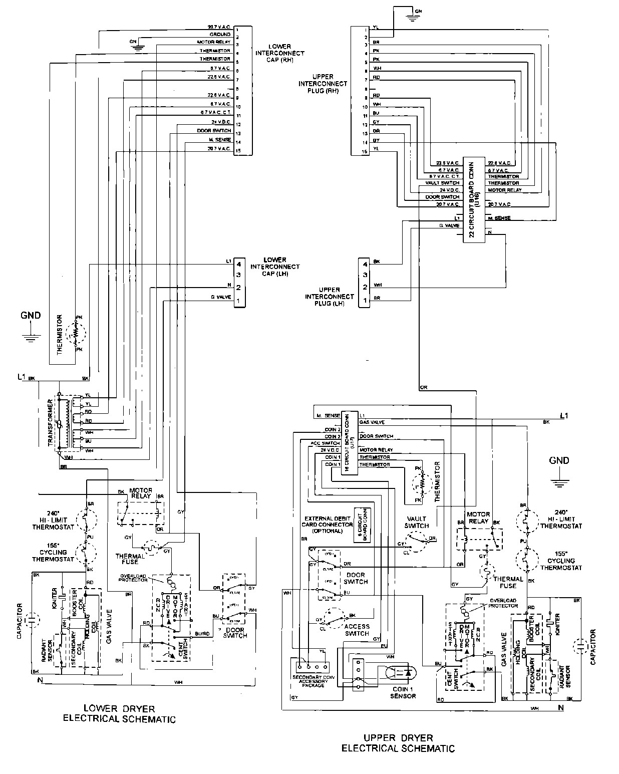
MHG15PDAWA 09 – WIRING INFORMATIONadmin2025-04-26T13:09:14+00:00MHG15PDAWA 09 – WIRING INFORMATION ProductsPositionProduct001DOWEL PIN FOR HANDLE