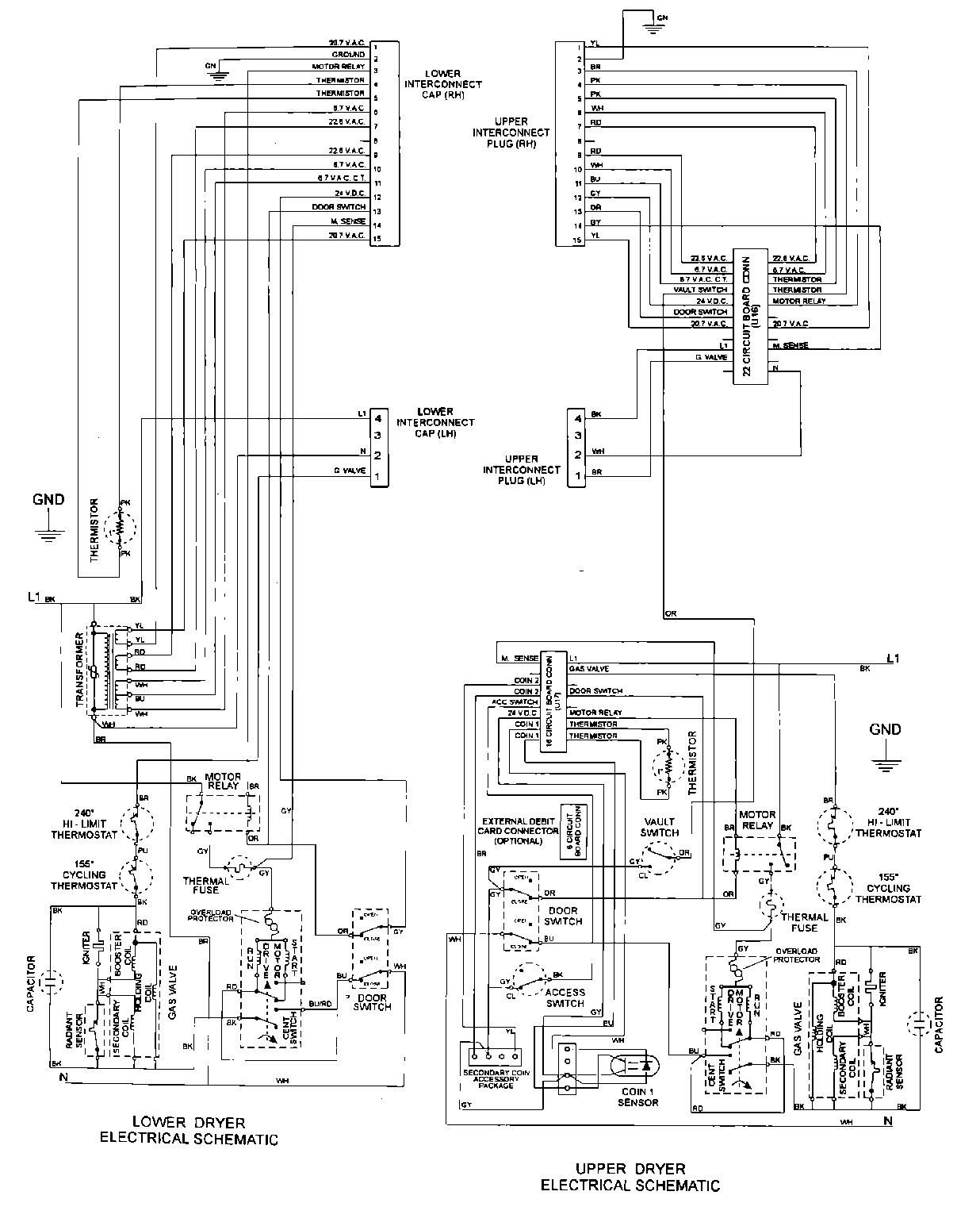
MHG15PDAWW 09 – WIRING INFORMATIONadmin2025-04-26T13:08:16+00:00MHG15PDAWW 09 – WIRING INFORMATION ProductsPositionProduct001DOWEL PIN FOR HANDLE