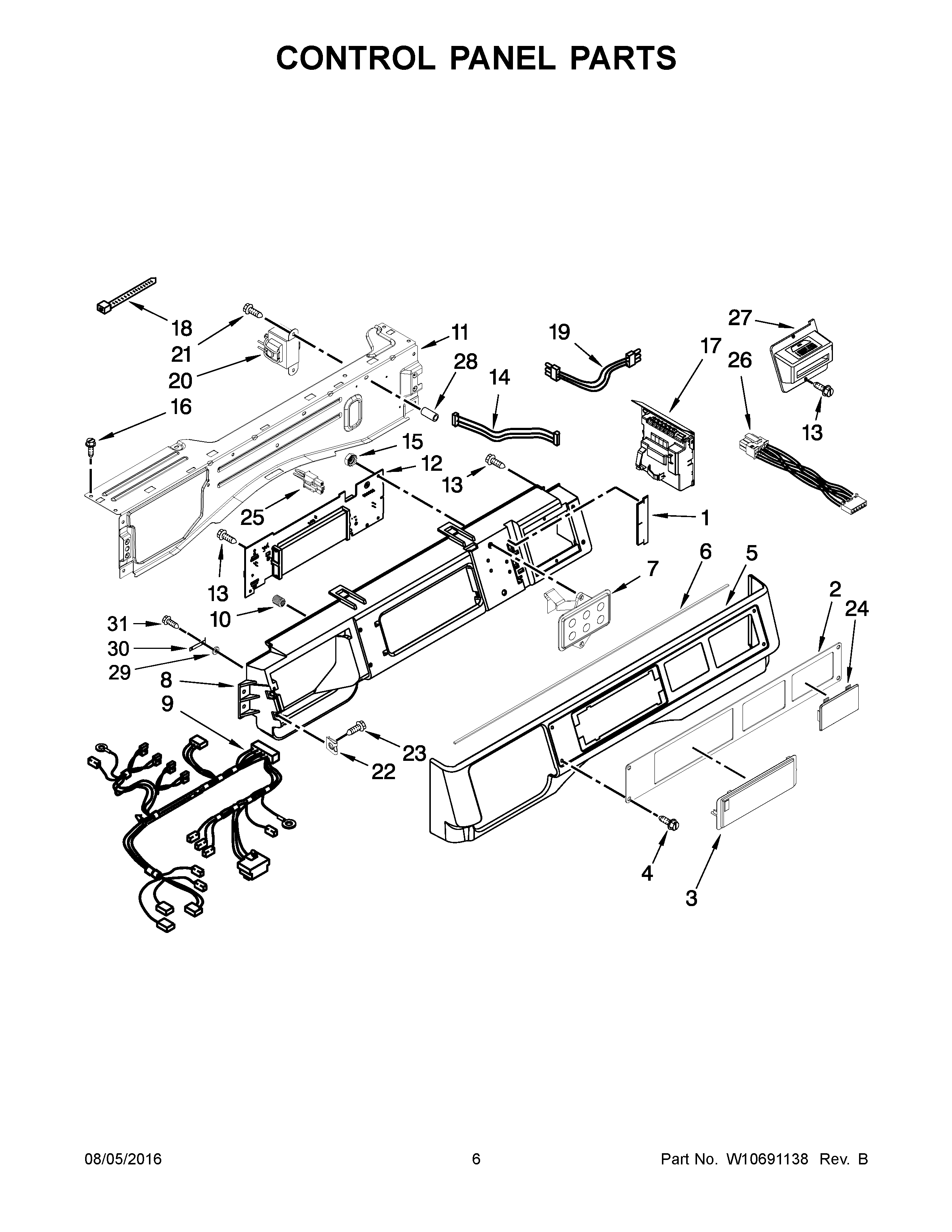
MHN33PRCWW0 04 – CONTROL PANEL PARTSadmin2025-04-26T13:07:59+00:00MHN33PRCWW0 04 – CONTROL PANEL PARTS ProductsPositionProductNILINER (NOT A SERVICEABLE PART)NIMAY W10689496NIMAY W106894951MAY W101872762MAY W108018043COVER, DISPLAY4SCREW5MAY W107790846Foam Seal7MAY W107791398MAY W101374269MAY W1069611510INSERT11MAY W1084648812MAY W1087382513MAY 48913614MAY W1015515015NUT16Screw, 8-18 x 5/817MAY W1087378818TIE, CABLE19MAY W1033060620MAY W1013183921MAY 854032922CLIP(STLS.MODEL)23MAY W1013111924MAY W1021390625JUMPER, SWITCH SERVICE/VAULT26CARD READER, HARNESS27MAY W1013745428MAY W1001805029MAY W1018907530MAY 337381831Screw 8-32 x 1/4