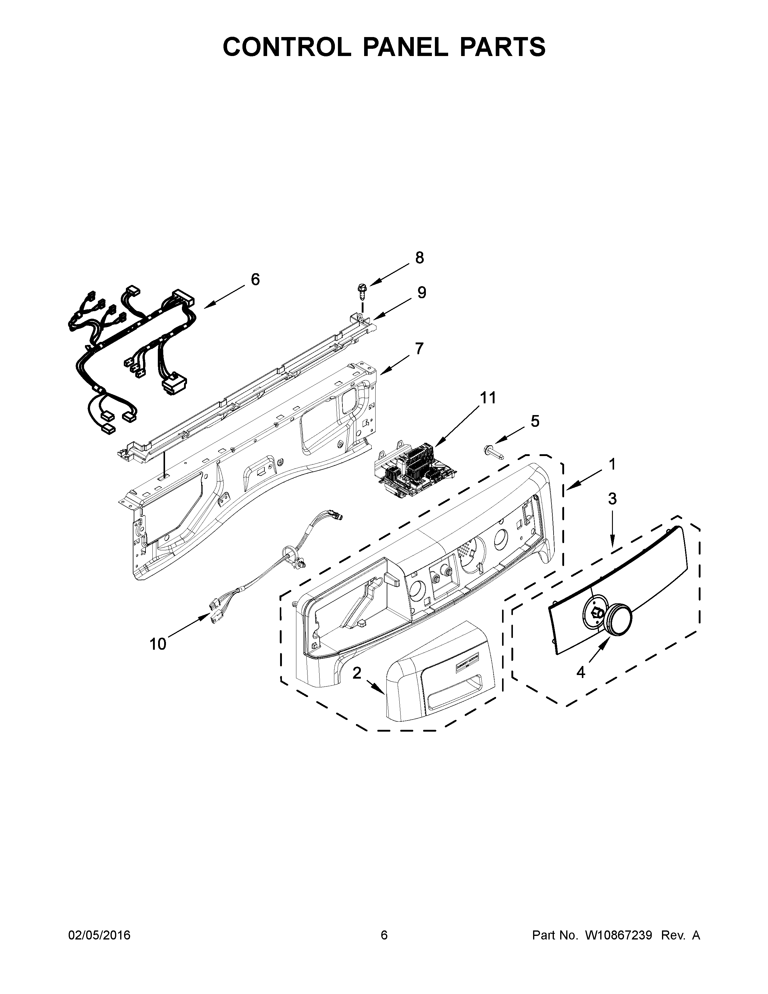
MHW3500FW0 04 – CONTROL PANEL PARTSadmin2025-04-26T11:32:15+00:00MHW3500FW0 04 – CONTROL PANEL PARTS ProductsPositionProduct1MAY W107837092MAY W107837023MAY W106790284ASSEMBLY, CONTROL KNOB (CHROME)5MAY W104891726MAY W106856277MAY W102081978SCREW9CHANNEL, WATER10MAY W1044244011MAY W10750567