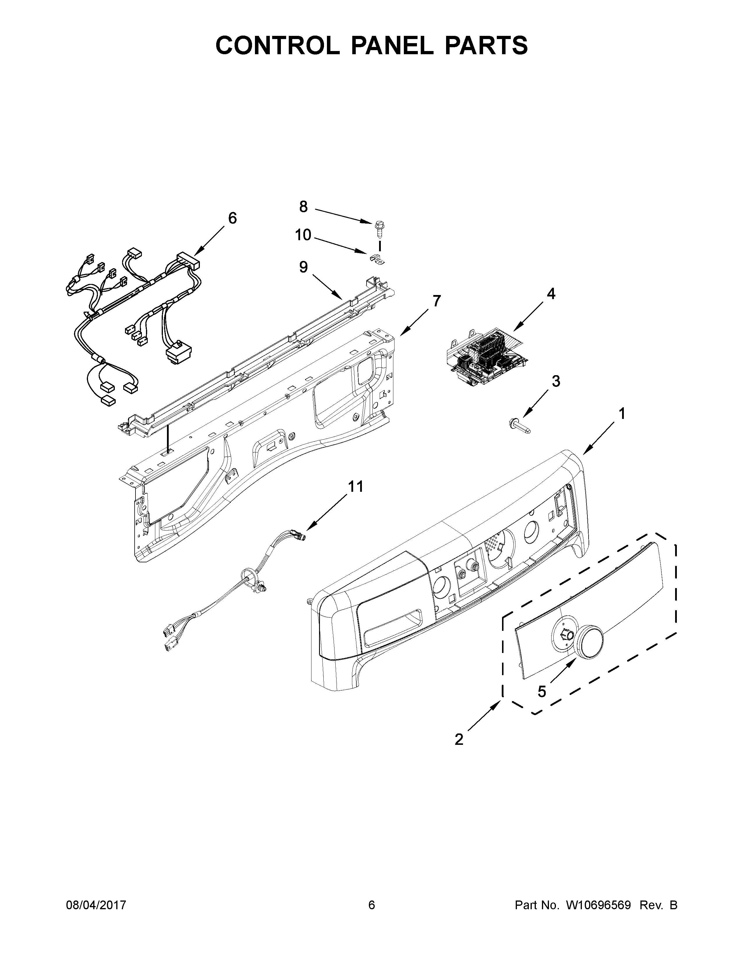
MHW5100DW0 04 – CONTROL PANEL PARTSadmin2025-04-26T13:09:11+00:00MHW5100DW0 04 – CONTROL PANEL PARTS ProductsPositionProduct1AMAY W107744071MAY W107744092AMAY W107484212MAY W107484203MAY W104891724MAY W109087245ASSEMBLY, CONTROL KNOB (CHROME)6HARNESS, MAIN (UPPER)7MAY W102081978SCREW9CHANNEL, WATER10MAY W1031756611MAY W10442440