MHW5500FW1 04 – CONTROL PANEL PARTSadmin2025-04-26T13:08:38+00:00MHW5500FW1 04 – CONTROL PANEL PARTS
Products
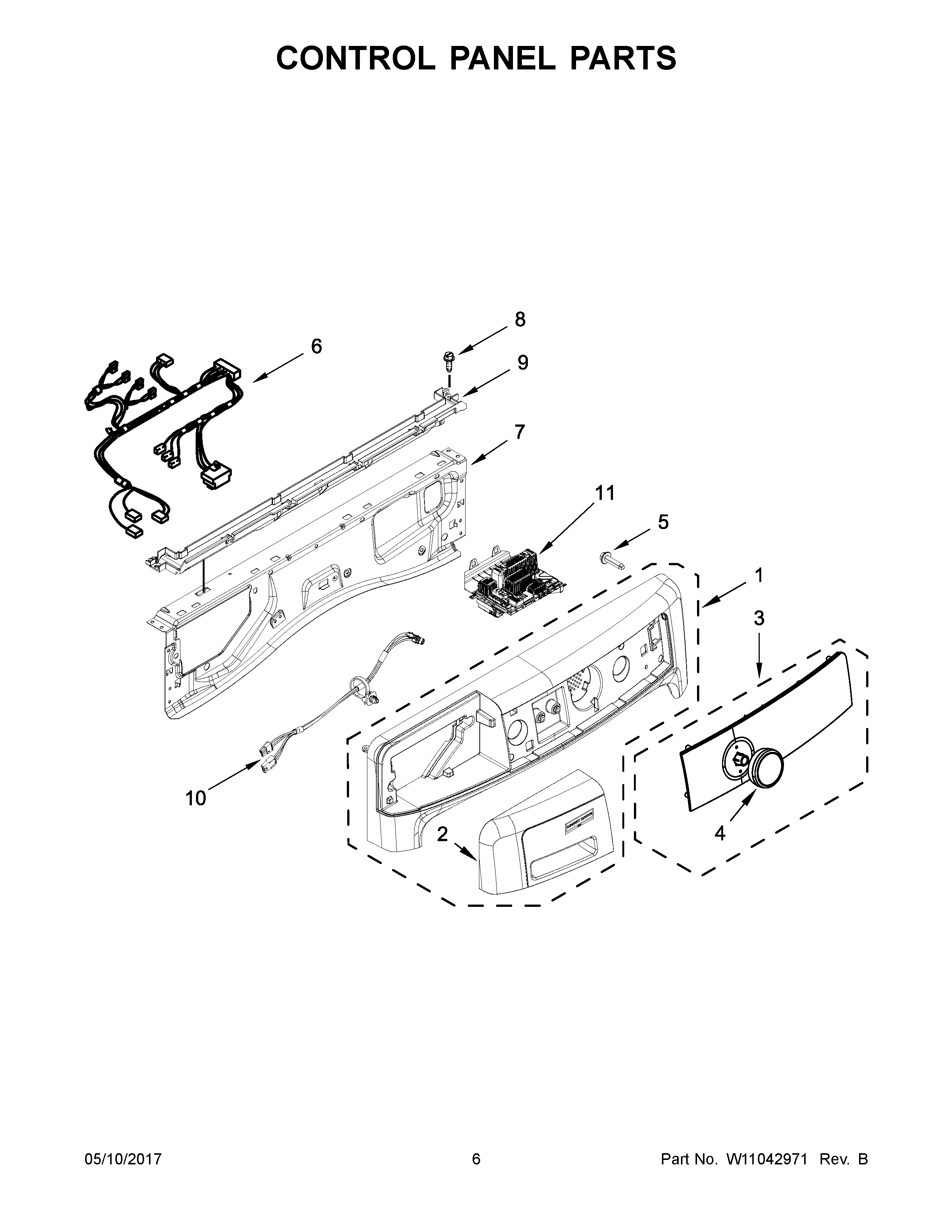
| Position | Product |
|---|
| 1 | ASSEMBLY, CONSOLE (WHITE) |
| 1A | ASSEMBLY, CONSOLE (CHROME SHADOW) |
| 2 | HANDLE, DRAWER (WHITE) |
| 2A | HANDLE, DRAWER (CHROME SHADOW) |
| 3A | ASSEMBLY, IML (CHROME SHADOW) |
| 3 | ASSEMBLY, IML (WHITE) |
| 4 | ASSEMBLY, CONTROL KNOB (CHROME) |
| 5 | MAY W10489172 |
| 6 | HARNESS, MAIN (UPPER) |
| 7 | MAY W10208197 |
| 8 | SCREW |
| 9 | CHANNEL, WATER |
| 10 | MAY W10580186 |
| 11 | CONTROL UNIT, APPLIANCE |