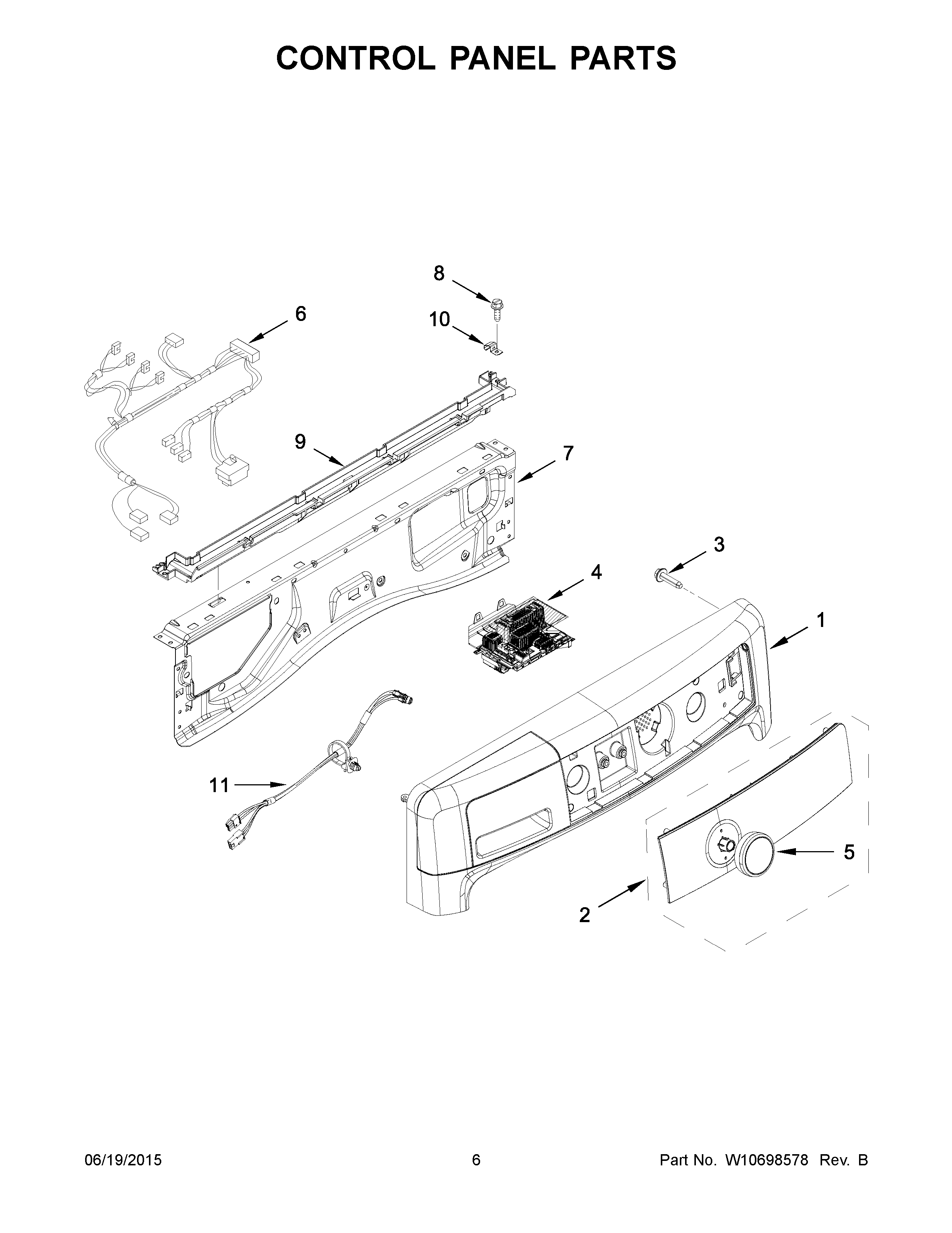
MHW7100DW0 04 – CONTROL PANEL PARTSadmin2025-04-26T13:08:40+00:00MHW7100DW0 04 – CONTROL PANEL PARTS ProductsPositionProduct1AMAY W107744081MAY W107744112AMAY W107484252MAY W107484243MAY W104891724MAY W106936085ASSEMBLY, CONTROL KNOB (CHROME)6MAY W106856287MAY W102081978MAY W105671559WATER CHANNEL10MAY W1031756611MAY W10442440