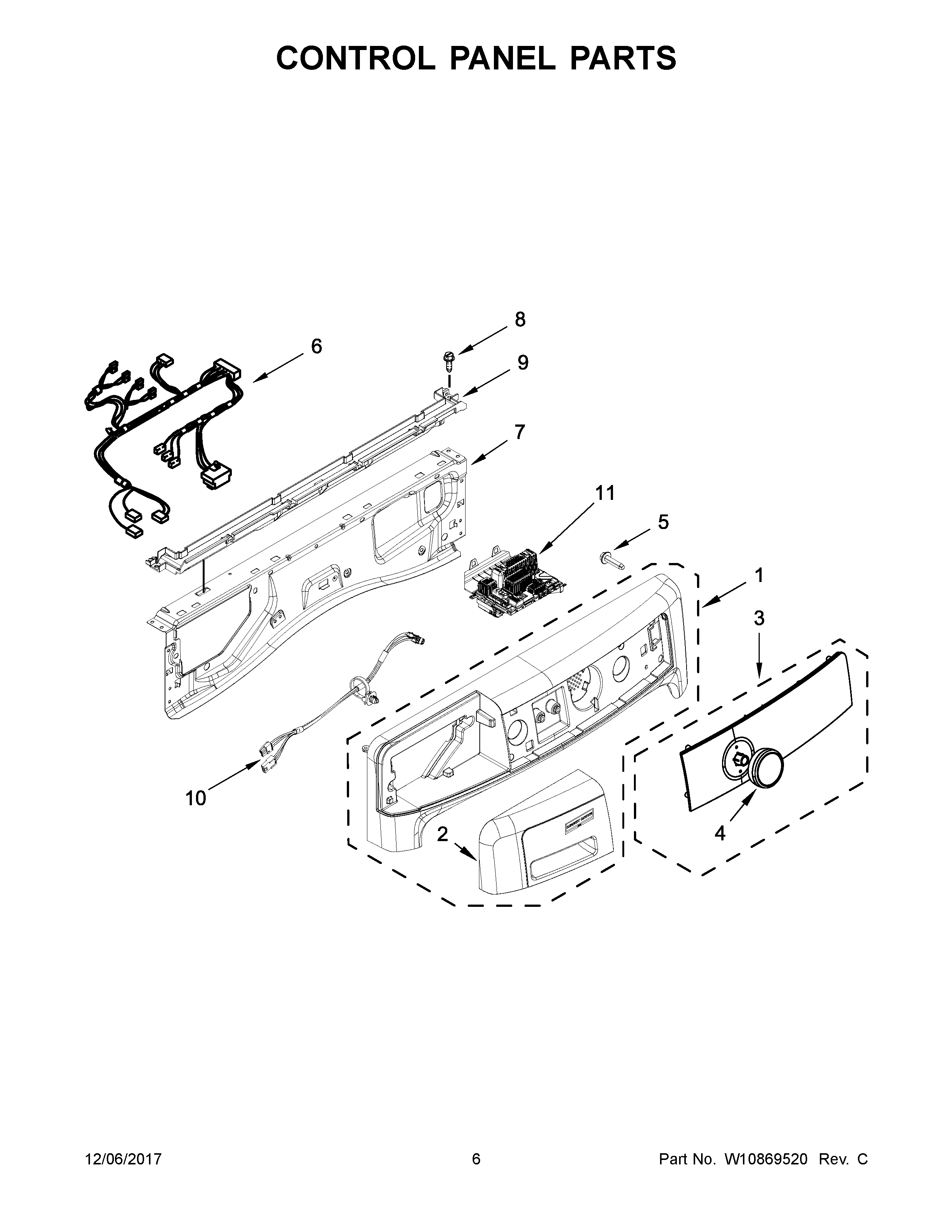
MHW8200FC0 04 – CONTROL PANEL PARTSadmin2025-04-26T11:29:13+00:00MHW8200FC0 04 – CONTROL PANEL PARTS ProductsPositionProduct1ASSEMBLY, CONSOLE (WHITE)1AASSEMBLY, CONSOLE (CHROME SHADOW)2AHANDLE, DRAWER (CHROME SHADOW)2HANDLE, DRAWER (WHITE)3AMAY W108251083MAY W108251064ASSEMBLY, CONTROL KNOB (CHROME)5MAY W104891726HARNESS, MAIN (UPPER)7MAY W102081978SCREW9CHANNEL, WATER10MAY W1058018611MAY W10885572