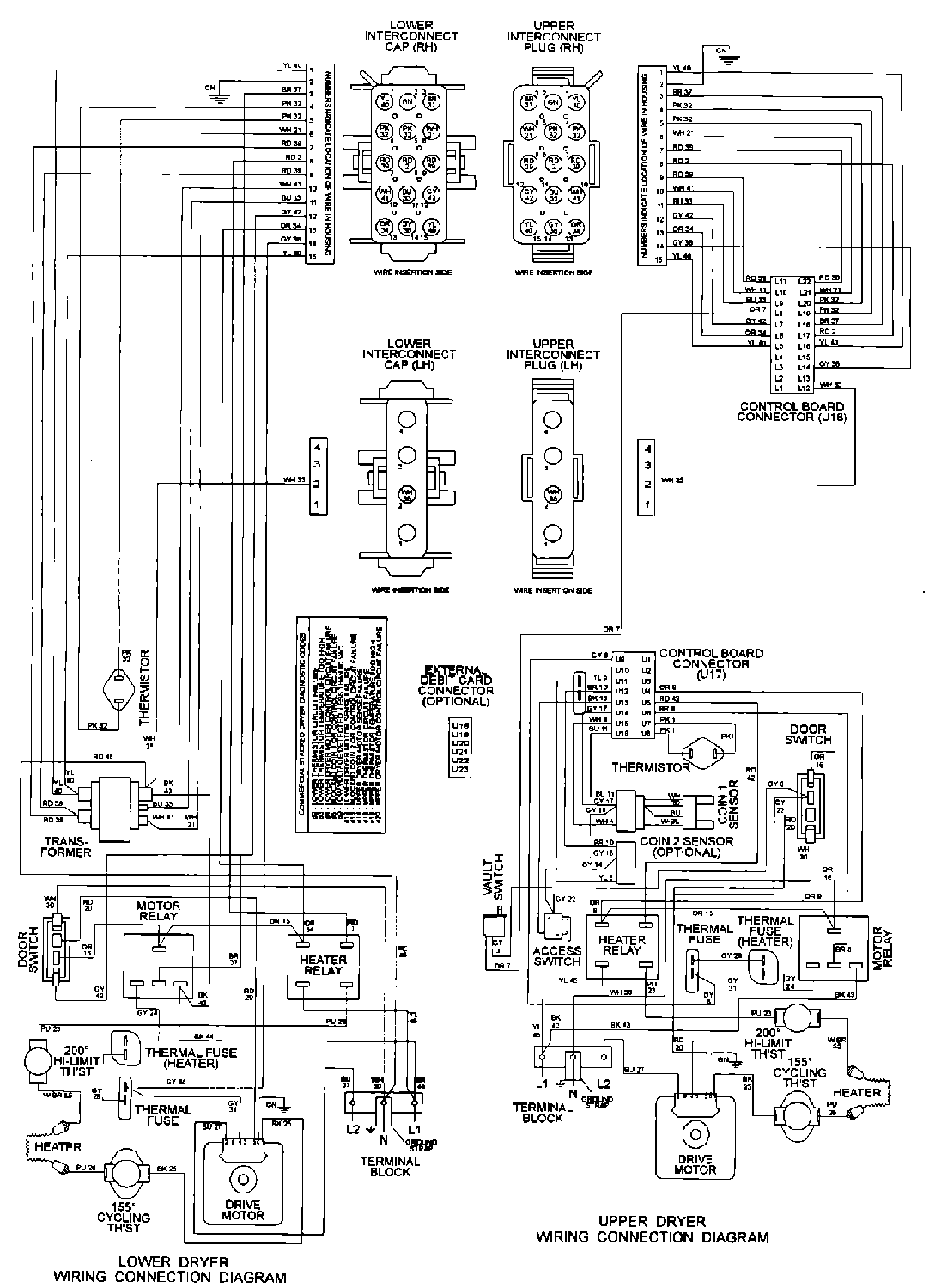
MLE15PDAYA 11 – WIRING INFORMATIONadmin2025-04-26T11:28:59+00:00MLE15PDAYA 11 – WIRING INFORMATION ProductsPositionProduct001DOWEL PIN FOR HANDLE