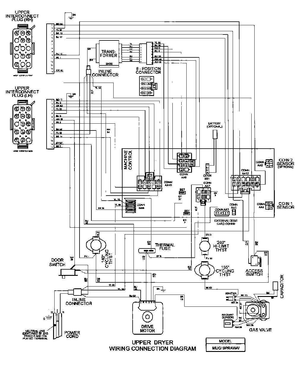
MLE19PNAUW 14 – WIRING INFORMATIONadmin2025-04-26T11:30:09+00:00MLE19PNAUW 14 – WIRING INFORMATION ProductsPositionProduct001DOWEL PIN FOR HANDLE