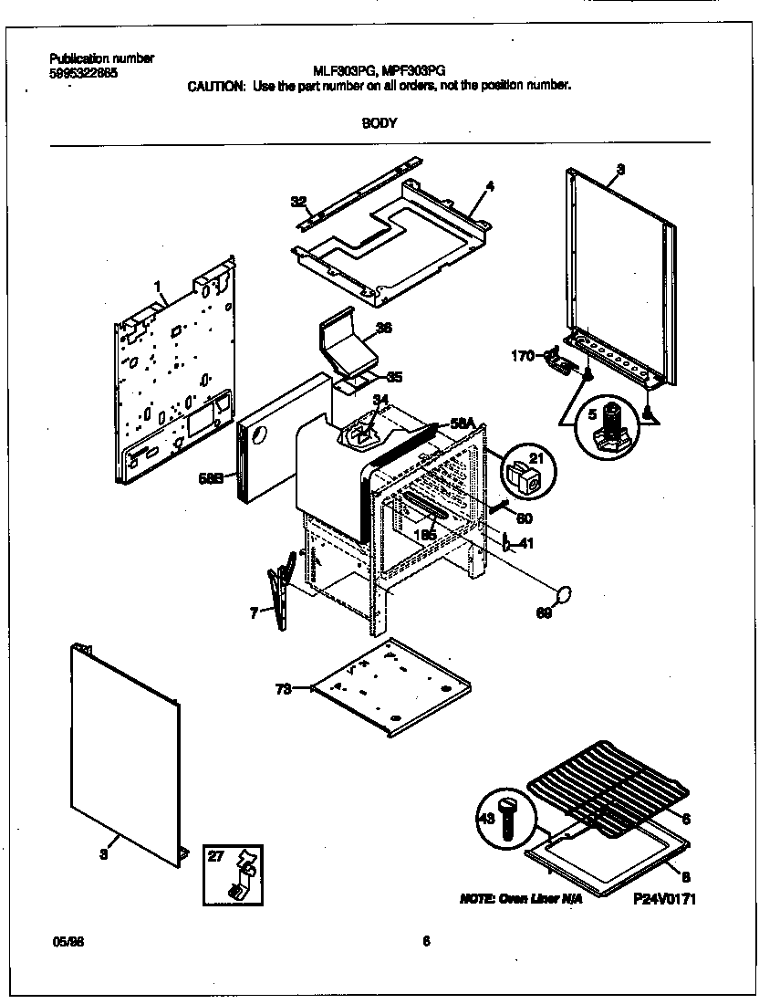
MLF303PGWD 04 – BODY