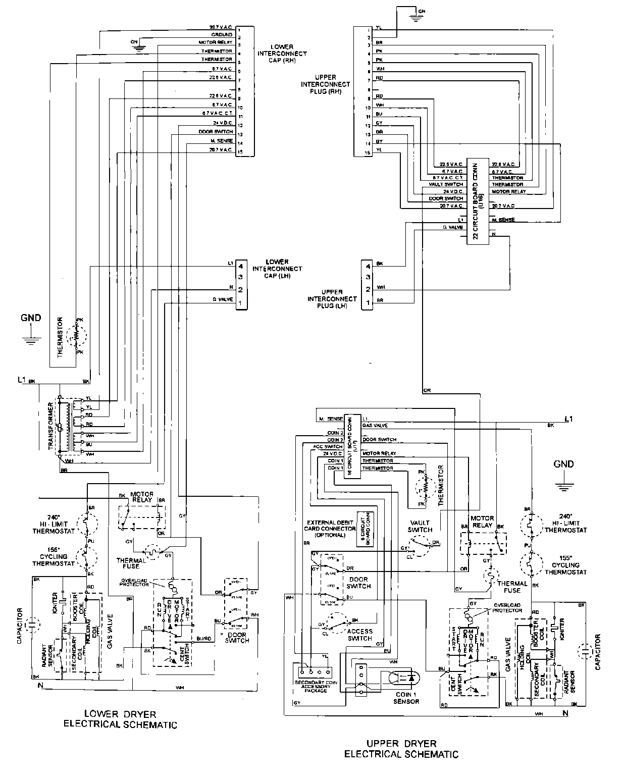
MLG23PDAWW 11 – WIRING INFORMATIONadmin2025-04-26T11:35:35+00:00MLG23PDAWW 11 – WIRING INFORMATION ProductsPositionProduct001DOWEL PIN FOR HANDLE