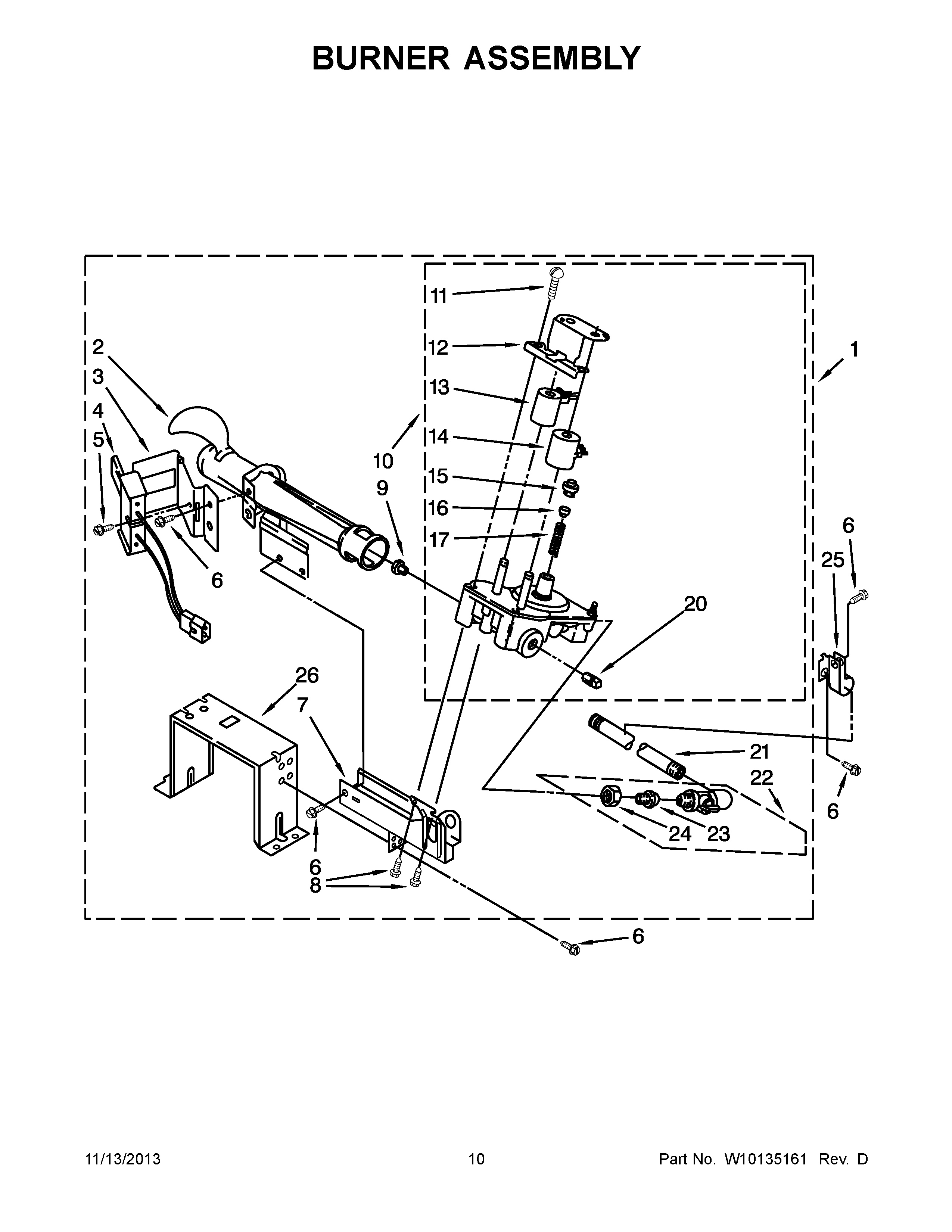
MLG24PDAWW0 06 – BURNER ASSEMBLYadmin2025-04-26T11:35:23+00:00MLG24PDAWW0 06 – BURNER ASSEMBLY ProductsPositionProductNIMAY W10233219NILINER (NOT A SERVICEABLE PART)1MAY W101352312MAY 6886173MAY 6942984MAY 6865905MAY 33939096SCREW7MAY 33898718SCREW9MAY 2348689Orifice, Burner (Type 1)10VALVE, GAS (60 HZ -COMPLETE)11SCREW, COIL12MAY 69453813MAY 69454014COIL, 60 HZ (SPLIT) (3TERMINAL) (PILOT POSITION)15MAY 69442416MAY 69442317MAY 69442220MAY 23982221MAY W1011039522Valve & Union Shut-Off23MAY 339376724MAY 23307625MAY 338756126MAY 3389889