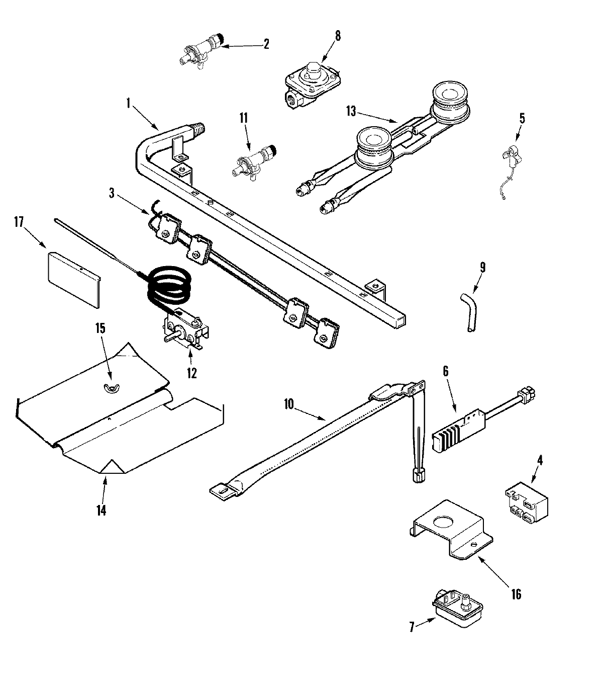
MLR1110AJQ 04 – GAS CONTROLSadmin2025-04-26T13:03:26+00:00MLR1110AJQ 04 – GAS CONTROLS ProductsPositionProduct1MAY 740039132MAY 740106432WP8273096 Whirlpool Screw3MAY 740094614MAY 740042825MAY 740023865MAY 74004483674007498 Whirlpool Range Flat Igniter6SCREW (10-24X5/16-NI)7MAY 740104668MAY 740075249MAY 7400641710MAY 7400243411MAY 7400946012MAY 7101P280-6012WP74002390 Whirlpool Oven Thermostat13MAY 7401014913MAY 7401014813SCREW (8BX3/8-NI)14MAY 7400239315NUT, WING16MAY 7400505117MAY 7400239117SCREW